Номенклатура электронных компонентов, применяемых в бытовой аппаратуре и, в частности, в видеотехнике, чрезвычайно широка. В нее входят практически все типы полупроводниковых приборов, а также конденсаторы, резисторы, флуоресцентные и жидкокристаллические табло и многие другие изделия. Ни один из электронных компонентов нельзя считать абсолютно надежным, что подтверждается практикой ремонта. Довольно часто они выходят из строя по таким причинам, как механические повреждения аппаратуры, попадание в нее жидкостей, воздействие грозовых разрядов, электромагнитных излучений и т.п. Аппаратура с отказами нестандартных элементов доставляет немало трудностей мастерам сервисных служб, особенно в небольших городах. Например, найти замену флуоресцентным или ЖК индикаторам, различным микросборкам, без маркировки бывает очень трудно или невозможно. Весьма часто аппаратуру с такими отказами используют как комплект запчастей (предварительно выкупив ее у клиента), причем на практике использовать такой комплект удается далеко не полностью.
В последние годы в связи со все более увеличивающейся номенклатурой микросхем в разряд особо дефицитных попадает и все большее число БИС. Диагностика неисправностей таких микросхем связана с определенным риском. Вряд ли кто из мастеров со стопроцентной уверенностью может дать заключение о замене таких сложных микросхем, как современные микропроцессоры, цифровые сигнальные процессоры (DSP), видеопроцессоры и другие современные БИС. Кроме того, сам процесс замены неисправных микросхем усложнился, демонтировать большинство современных БИС с помощью обычного паяльника уже невозможно, необходимо использовать дорогостоящее специализированное паяльное оборудование и инструмент.
Для уверенной диагностики отказов в общем случае необходимо наличие полной сервисной документации на каждую модель обслуживаемой аппаратуры, соответствующей технологической оснастки и контрольно-испытательного оборудования. Такие условия выполняются лишь в крупных авторизованных сервисных центрах, а средним и мелким мастерским доступны в основном только имеющиеся в продаже альбомы схем, справочники, книги и, в последнее время, сервисная документация на компакт-дисках. Однако на практике пользоваться документацией с дисков из интернета неудобно, а если схема выполнена на нескольких листах (а это, как правило, именно так), то требуется их предварительная распечатка и склейка. кроме того, необходимо знание в необходимых пределах английского языка.
К сожалению, даже перечисленные источники информации охватывают весьма ограниченную номенклатуру моделей аппаратуры, выпущенной 3-5 и более лет назад, найти документацию на современную аппаратуру достаточно сложно.
Хотя теоретически выйти из строя может любой элемент, все же на практике часто заменять приходится не все типы компонентов. Первенство по легкости диагностики принадлежит предохранителям, но даже и при их замене необходимо придерживаться определенных правил. Произвести корректную замену стеклянных предохранителей соответствующими импортными не представляет труда. отечественные стеклянные предохранители имеют несколько меньший диаметр, поэтому их использование нежелательно (необходимо подгибать зажимы). Следует также иметь в виду низкое быстродействие стеклянных предохранителей. многие мастера сталкивались с ситуациями, когда выходили из строя мощные диоды и транзисторы источников питания, а предохранители оставались целыми. Замена предохранителей „жучками” чревата неприятными последствиями: от возможного возгорания до выхода из строя дорогостоящих элементов. Значительно более высокое быстродействие имеют отечественные предохранители в керамических корпусах типа ВП (вставка плавкая). Применение предохранителей ВП на минимально возможные токи (меньше номинальных) позволяет существенно обезопасить вновь установленные дорогостоящие силовые элементы при первых (после ремонта) включениях, поскольку можно избежать такой ситуации, когда после установки нового элемента он снова выходит из строя.
Во многих аппаратах кроме стеклянных широко применяются малогабаритные быстродействующие предохранители, выполненные в корпусах как у обычных транзисторов (обозначения на схемах F, FR, CP). Располагают их, как правило, вне блоков питания на самых различных платах. Обычно на них нанесена условная маркировка: N05 - 0,2 A, N10 - 0,4 A, N15 - 0,6 A, N20 - 0,8 A, N25 - 1 A, N38 — 1,5 A, N50 - 2 A, N70 - 2,5 A, N75 - 2,7 A. перечислены наиболее распространенные номиналы, но существуют и другие (промежуточные).
В некоторых аппаратах с линейными источниками питания применяются термопредохранители (Thermal Cut Off, TCO), которые встраиваются в сетевые трансформаторы. их применение исключает возгорание аппаратуры, однако сработавшие термопредохранители не восстанавливаются. Они выпускаются на токи 5, 10, 16 А и температуру срабатывания - от 72°С. одна из систем обозначений термопредохранителей выглядит следующим образом: TZ D072 10 A (ток срабатывания 10 А, температура срабатывания - 72°С).
Одни из самых распространенных элементов в любой электронной аппаратуре резисторы. В приложении к видеотехнике их можно условно отнести к одной из четырех групп: маломощные (до 0,25 Вт), непроволочные средней мощности (0,5-2 Вт), керамические в прямоугольных корпусах (5 Вт и более), переменные (подстроечные). Непроволочные резисторы малой и средней мощности крайне редко выходят из строя, для их замены с успехом подходят отечественные типа МТ, ОМЛТ и др. Непроволочные керамические резисторы, наоборот, довольно часто выходят из строя, причем обрыв нередко бывает неполным, в этом случае сопротивление резистора увеличивается из-за частичного испарения резистивного слоя, что может ввести в заблуждение ремонтников. При отсутствии принципиальных схем на ремонтируемый аппарат можно определить номинал полностью оборванного резистора следующим образом: проколоть иглой поверхностный слой корпуса резистора примерно посредине и измерить сопротивление между точкой прокола и одним из крайних выводов. номинал резистора будет равен удвоенному значению измеренного сопротивления. обгоревшие резисторы таким методом проверять нельзя.
В силовых цепях аппаратуры довольно часто выходят из строя мощные резисторы в керамических корпусах. Они не представляют большого дефицита и при необходимости могут быть заменены более надежными отечественными типа С5-16.
Надежность подстроечных и регулировочных резисторов большинства фирм весьма высока. На практике приходится заменять регулировочные резисторы только в старой аппаратуре. К сожалению, широко распространенные отечественные регулировочные резисторы никогда не отличались качеством и надежностью. Поэтому в тех случаях, когда не удается отреставрировать выработавший ресурс регулировочный резистор, его лучше заменить на подходящий зарубежный. На практике случаются и отказы подстроечных резисторов, например, повторяющиеся отказы имели место в стереовидеомагнитофонах „Panasonic NV-HD70/90/95/100/F55/65” и в других моделях. Проявление неисправности отсутствие записи в линейном канале звука при нормальной работе стереотрактов, причина нарушение контакта в подстроечных резисторах в цепи генератора подмагничивания линейного канала звука. В ВМ „Panasonic NV-F55” это резистор VR4002 (200 к), а в моделях HD90/95/100 - резистор R4001 того же номинала. Указанные резисторы расположены на главных платах видеомагнитофонов в секции Luminanse/Chrominance & Audio и имеют маркировку A. BIAS. После замены отказавших приборов необходимо подобрать ток подмагничивания в цепи звуковой головки, измерения проводят осциллографом с выносным высокоомным щупом. на практике достаточно установить размах сигнала подмагничивания непосредственно на звуковой головке равным 30 В.
Не менее широко в электронной аппаратуре применяют конденсаторы самых различных типов, однако с точки зрения ремонтных служб, интерес представляют в основном оксидные конденсаторы, в том числе высоковольтные, устанавливаемые в импульсных источниках питания. Такие конденсаторы при бросках сетевого напряжения нередко разрушаются, вытекающий из них электролит вызывает коррозию печатных проводников и выводов соседних элементов. поэтому перед заменой конденсаторов необходимо смыть остатки электролита растворителем.
Оксидные конденсаторы выпускают многие фирмы, из наиболее распространенных у нас можно выделить JAMICON, NICHICON, ARC, MAW, REC, RUBYCON, SAMSUNG, ELNA, HITACHI AIC, MATSUSHITA. По данным автора, конденсаторы на напряжение 400 В трех последних фирм отличаются особо высокой надежностью и редко выходят из строя. Нередко блоки питания некоторых моделей видеомагнитофонов работают в тяжелых температурных условиях (вплоть до почернения печатных плат), поэтому в них лучше использовать оксидные конденсаторы, рассчитанные на работу при температуре 105°С, если позволят габариты (конденсаторы на 105°С имеют большие размеры, чем той же емкости и с рабочей температурой 85°С). Оксидные конденсаторы, рассчитанные на работу в особо жестких условиях, выпускает фирма NIPPON CHEMI CON.
Другой проблемой, связанной с оксидными конденсаторами, является их относительная недолговечность. По мере их эксплуатации и хранения параметры конденсаторов ухудшаются: уменьшается их емкость и, что наиболее неприятно, увеличивается тангенс угла потерь (растет внутреннее сопротивление). Реальное проявление ухудшения параметров конденсаторов на работу аппаратуры зависит от различных факторов, в первую очередь от функционального назначения конденсаторов в конкретных схемах. В некоторых местах схемы их можно вообще удалить, и это никак не скажется на работе аппаратуры, в частности, это относится к фильтрующим конденсаторам в цепях питания. а даже двукратное увеличение внутреннего сопротивления времязадающих и разделительных конденсаторов приводит к неполадкам в работе аппаратуры.
Большие проблемы могут создавать оксидные конденсаторы в исполнении для поверхностного монтажа. в качестве примера можно привести ситуацию с распространенными на наших региональных телекомпаниях профессиональными монтажными видеомагнитофонами „Panasonic AG-8700E” и плеерами AG-600Е. эти дорогостоящие аппараты через 4-5 лет эксплуатации выходят из строя по причине ухудшения параметров оксидных конденсаторов, находящихся на платах тракта изображения. В некоторых мастерских заменяют все конденсаторы на этих платах, однако это совершенно не обязательно и дорого, - можно обойтись заменой только некоторых позиций, в первую очередь, на плате VIDEO YC, (REF. NO. 3000 Series) - С53, С59, С60, С62. Иногда на работу видеомагнитофонов AG-8700Е оказывают влияние и конденсаторы на других позициях, в таких случаях заменяют конденсаторы с номиналами 1,0/50 В, 2,2/50 В, 3,3/50 В, 4,7/25 В, 10,0?16 В на указанной плате и на закрепленной на ней плате YC REC, REF. NO. 9000 Series.
Похожие проблемы возникают и в других аппаратах, в частности в видеомагнитофонах „Samsung SV-300W” с многосистемным транскодером. Этот аппарат выпускался в 1995-97 гг., и уже через 3-4 года после начала эксплуатации в нем появляются отказы в работе транскодера, выполненного в виде отдельного блока. Как и в вышеприведенном случае нужно заменить все конденсаторы в блоке транскодера емкостью до 10 мкФ. Стоит отметить, что оксидные конденсаторы такого же типа в большом количестве применены и в полноразмерных видеокамерах PANASONIC, однако каких-либо проблем с ними не возникает, влияние параметров конденсаторов на функционирование каналов изображения этих видеокамер невелико (видеопроцессоры выполнены в виде специализированных микросборок собственного производства MATSUSHITA).
Несмотря на постоянные усилия разработчиков радиоэлектронной аппаратуры, применение таких низкотехнологичных элементов, как катушки индуктивности, дроссели и т.п., исключить пока не удается. Они до сих пор используются почти во всех видах видеоаппаратуры. Среди многочисленных типов индуктивных элементов, с „сервисной” точки зрения представляет интерес информация по различным трансформаторам и дросселям. Традиционные низкочастотные трансформаторы применялись в блоках питания видеомагнитофонов и видеоплееров до середины 90-х годов (из распространенных у нас это „Panasonic NV-P05/HP-10/SR-70, JVC-HR-P39A/P68K”, „Akai VS-150EDG”, „Sharp VC-M11”, „Daewoo DVR-1181D/1989D” и другие модели 1993-1997 гг.).
Отказы трансформаторов питания в основном связаны с обрывами первичных обмоток. Чаще это происходит в блоках питания с автоматическим переключением номиналов сетевого напряжения 110/220 В. Нередко перегорают встроенные в трансформаторы термопредохранители. В отличие от большинства других электронных компонентов, найти нужный трансформатор для замены неисправного непросто, так как фирмы-дистрибьюторы электронных компонентов их практически не закупают. Вызывает серьезные затруднения и перемотка сгоревших трансформаторов, их очень трудно разобрать, так как и сердечник, и обмотки обычно пропитаны трудно растворимым лаком. Если решение о ремонте трансформатора принято (нет возможности найти новый), то разборку сердечника производят с помощью ножа, имеющего тонкое лезвие. Если удастся извлечь одну - две первые пластины сердечника трансформатора, то дальнейшая разборка не вызывает трудностей (некоторые исполнения трансформаторов не разбираются, так как имеют сварные соединения половин сердечников). Каркасы для обмоток трансформаторов часто выполняют в виде двух вставляющихся одна в другую половин, на внутреннюю из них наматывают первичную обмотку, на внешнюю вторичные. Иногда такой каркас разобрать не удается, чтобы облегчить задачу, помещают каркас с обмотками в растворитель (646, 647 и т.п.), это к тому же существенно облегчит процедуру разматывания первичной обмотки, производить которую необходимо с подсчетом числа витков.
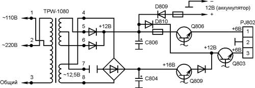
Рассмотрим некоторые примеры ремонта трансформаторов. В видеоплеере „Daewoo DVR-1181D” перегорела первичная обмотка трансформатора TPW-1080, работающего в блоке питания с автораспознаванием номинального напряжения 110/220 В. Схема включения этого трансформатора показана на рис. 1.

Рис. 1
Подсчет витков его обмоток дал следующие результаты: выв. 1-2 - 580 витков провода диаметром 0,27 мм, выв. 1-3 - 580 витков провода того же диаметра, выв. 5-7 и 7-6 - по 50 витков провода диаметром 0,5 мм, выв. 4-8 - 82 витка провода диаметром 0,82 мм. После установки вновь перемотанного трансформатора выяснилось, что его нагрев за час работы недопустимо высок, что очевидно и послужило причиной обрыва первичной обмотки. Электрический расчет для сердечника сечением 19x29 мм дал результат: число витков в первичной обмотке - 1460 (для 220 В), что на 300 витков больше чем в заводском варианте, недостающие витки были домотаны и температура трансформатора пришла в норму (корректировать вторичные обмотки не потребовалось). В видеоплеере „Daewoo DVR-1189D” применен трансформатор TPW-1181D на таком же сердечнике, однако из блока питания исключен узел автораспознавания номинала сетевого напряжения, а в трансформатор встроен термопредохранитель (T-FUSE323), который в рассматриваемом случае оказался оборванным. Если наматывать обмотки виток к витку с прокладками между слоями, то термопредохранитель не нужен (заводская намотка выполнена в навал).
Аналогичная рассмотренным неисправность произошла в видеоплеере „JVC HRP68K”. Фрагмент принципиальной схемы его блока питания показан на рис. 2.

Рис. 2
Узел автораспознавания сетевого напряжения представляет собой пороговое устройство на транзисторах Q901-Q905, нагрузкой служит реле RL901. Устройство не обеспечивает надежной работы при изменениях напряжения сети в широких пределах, поэтому вполне возможно подключение обмотки на 110 В к сети с напряжением 150-160 В (напряжения срабатывания порогового устройства). В рассматриваемом случае сгорел защитный предохранитель FR901 и оборвался внутренний проводник, соединяющий первичную обмотку с выв. 220 В. При этом сама обмотка не пострадала, удалось использовать ранее не задействованную часть первичной обмотки для напряжения 230…240 В, а устройство автораспознавания из схемы было исключено.
Причиной отказов видеоаппаратуры нередко становятся трансформаторы и дроссели с ферритовыми сердечниками, особенно это относится к элементам импульсных источников питания, помехоподавляющим фильтрам и другим силовым узлам. Условно их можно разделить на две группы: дроссели со стандартными значениями индуктивности, выпускаемые многими фирмами как элементы общего применения, а также специализированные трансформаторы и дроссели, выпускаемые для конкретных изделий. При ремонте дроссели со стандартными значениями индуктивности во многих случаях могут быть заменены отечественными (типов Д, ДМ и т.п.). Затруднения могут возникать при подборе эквивалентов миниатюрных дросселей для поверхностного монтажа, особенно широко применяемых в видеокамерах, так как размеры дросселей Д, ДМ часто не позволяют разместить их в нужном месте устройства. Кроме того дроссели на цилиндрических сердечниках имеют значительные поля рассеяния и могут быть источниками помех для соседних узлов аппаратуры. в таких случаях лучше применять индуктивности на гантелевидных сердечниках с ферритовыми чашкообразными экранами. Достаточно широкий ассортимент дросселей на гантелевидных сердечниках выпускает фирма SUMIDA, в прайс-листах фирм дистрибьюторов электронных компонентов имеются десятки типов дросселей этой фирмы по вполне доступным ценам (0,5…2 долл.). Выпускают такие индуктивности и фирмы BOURNS, MURATA, TEXSTAR, HAMOND и др. Малогабаритные дроссели фирмы SUMIDA типов RCH-654/664 с проволочными выводами рассчитаны на токи 0,14…1,3 А и имеют индуктивность 0,022…1 мГн. Дроссели RCH-855/875/895 рассчитаны на токи 0,038…3 А и имеют индуктивность 0,01…10 мГн. Наиболее сильноточные дроссели RCH-108/110/114, MCDR1419 (рассчитаны на ток до 6 а) и ЕР169 (до 18 А) имеют размеры порядка от 10x10 мм до 18x20 мм. В специализированной торговле трансформаторы для импульсных источников питания представлены крайне скудно, однако и выходят из строя они крайне редко.

Сложнее обстоит дело с заменой специализированных импульсных трансформаторов DC/DC-преобразователей видеокамер. Так как главные требования, предъявляемые к таким преобразователям, - высокий КПД и малые габариты, их схемотехника и конструктивное исполнение существенно отличаются от применяемых в других видах бытовой видеотехники. Мощность, потребляемая видеокамерами от аккумуляторов, ориентировочно лежит в пределах 5…15 Вт, из нее в виде тепла в источнике питания рассеивается не более 10-15%. Габариты этих трансформаторов очень малы, например преобразователь видеокамеры „Hitachi VM-C1E” имеет размеры 40x27x15 мм, причем каких-либо теплоотводов в них обычно не предусмотрено. Особо низкой потребляемой мощностью отличаются видеокамеры фирмы SONY, использующие технологию STAMINA, например, модели „Sony CCD-TR415/ 425/515/713, TRV-27/36/46” и др. потребляют от аккумуляторов 2,4…2,7 Вт, что обеспечивает работу видеокамер до 12 часов. Число дросселей и трансформаторов в импульсных преобразователях видеокамер может составлять один-два десятка, например в полноразмерных камкордерах „Panasonic NV-M9000/М9500/MS4E/AG-455/ DP-200” в преобразователях установлено восемь дросселей и семь трансформаторов. Нередко в этих моделях выходит из строя импульсный трансформатор Т1011, обеспечивающий питание камерных секций камкордеров напряжениями +18, +9 и –8 В), межвитковые замыкания в обмотках при этом часто приводят к пробоям ключевых транзисторов, формирующих эти напряжения. Найти требуемый для замены трансформатор непросто, это можно сделать только через авторизованные сервисы PANASONIC, поэтому восстановление подобных трансформаторов оправдано.
На рис. 3 эскизно показано расположение трансформатора Т1001 на главной плате видеомагнитофонной секции камкордера. Операции по восстановлению трансформатора производят в следующем порядке:
- демонтированный трансформатор помещают на 10…15 минут в органический растворитель (№ 646, 647, 650 и т.п.);
- острым плоским лезвием отделяют чашкообразный магнитопровод от каркаса и удаляют обмотку;
- намотку начинают с выв. 5 по часовой стрелке к выв. 6 ? наматывают 50 витков провода ПЭВ-2 0,05;
- от выв. 3 к выв. 4 наматывают 57 витков того же провода (также по часовой стрелке);
- от выв. 4 к выв. 5 наматывают 53 витка провода ПЭВ-2 0,08;
- укладывают один слой тонкой фторопластовой пленки и поверх нее наматывают первичную обмотку от выв. 1 к выв. 2 - 53 витка провода ПЭВ-2 0,08;
- фиксируют чашку магнитопровода парафином или воском.
После замены транзистора (Q1004 типа 2SD1624) и установки отремонтированного трансформатора работоспособность видеокамеры полностью восстанавливается.
Юрий Петропавловский