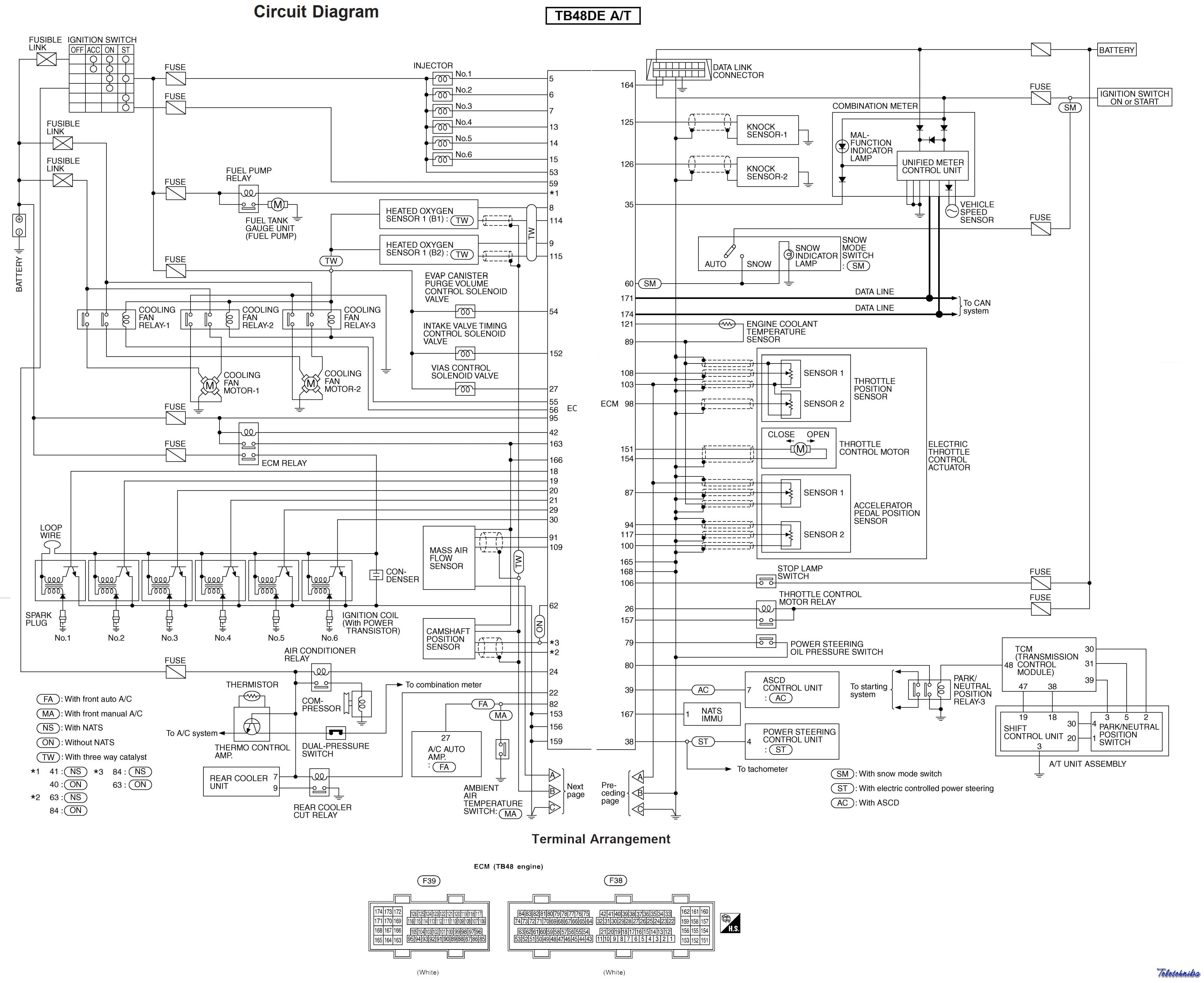
Nissan Patrol 4800 Y61 2007 год, ECU MEC23-014 (TB48DE)




Nissan EDC 16 CP33


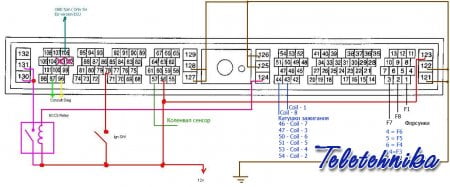
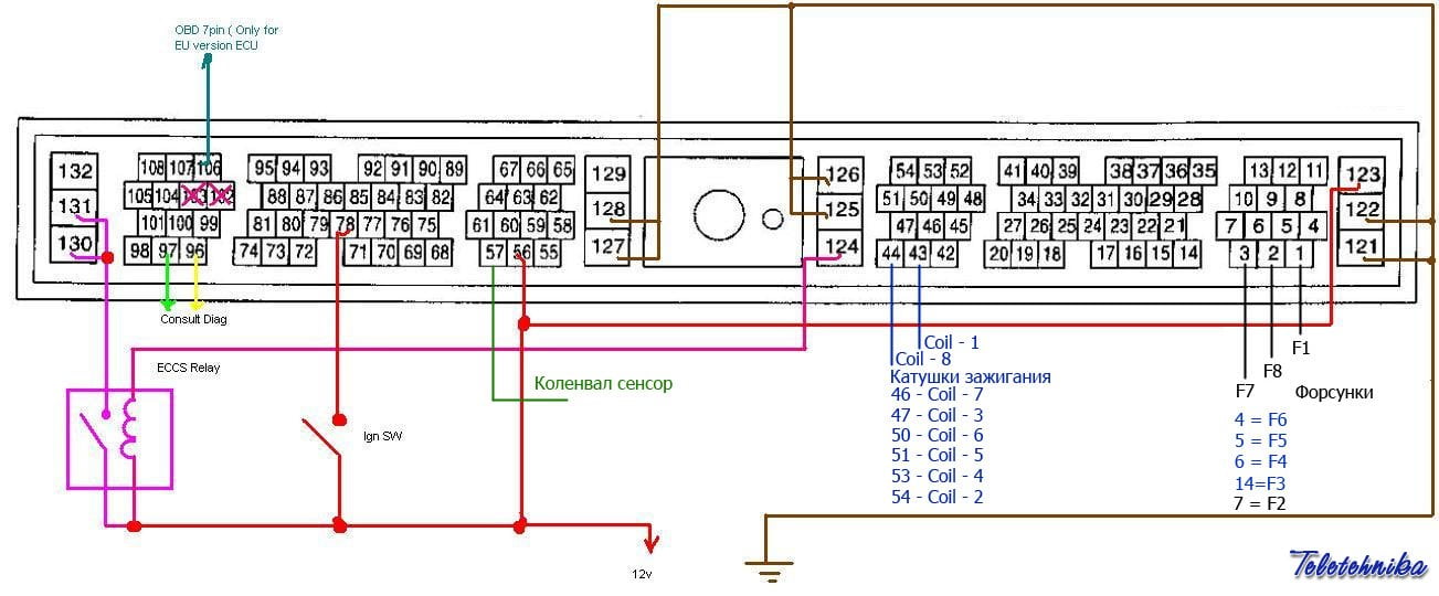
Nissan Cima VH41 ECU Hitachi MEC-G250 23710-3H100


Инфа сдёрнута у Севы

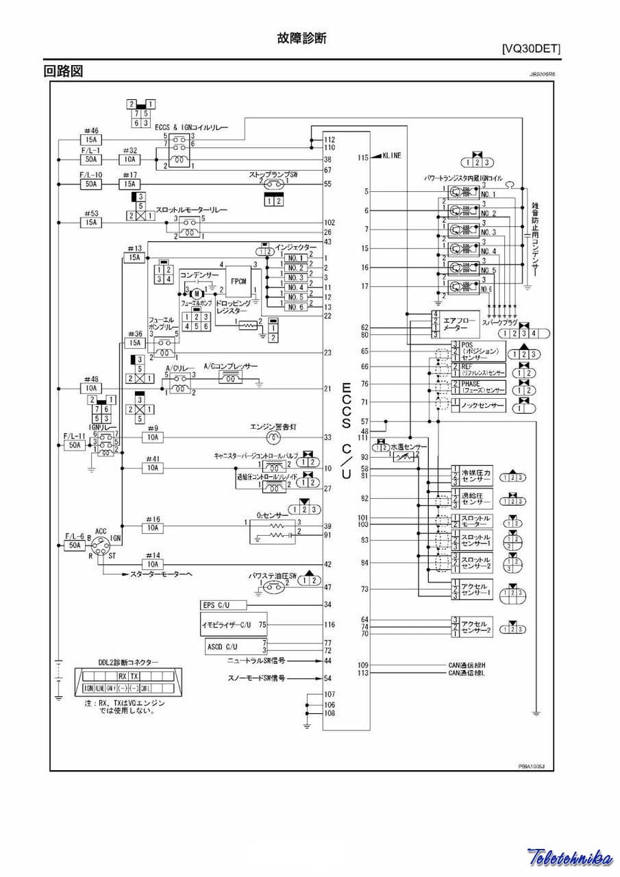
Nissan Cima F50 2003-2004 VQ30DET — ECU Hitachi A56-V36



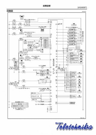
VQ30DET Nissan Cima HF50 2001 — ECU A56-T46


Информация взята у Breakneck

Bosch EDC 17C84 Nissan


EDC16C3


Bosch EDC 16CP33 Renault - Opel - Nissan


NISSAN PRIMERA P11 1.6 Литра Двигатель GA16DE


NISSAN PATROL


NISSAN


NISSAN ALMERA 1.5 L

NISSAN CEFIRO 2.0 L VQ20DE




Nissan Almera - 2003-2006 YD22DDT 2.2L dCi

Вы не можете скачивать файлы с нашего сервера

Bosch EDC 15C2 Peugeot - Nissan


Bosch EDC 17C42 Opel - Holden - Vauxhall - Renault - Nissan



Nissan 300ZX 1990-1995 год



Nissan Skyline RB26DETT 1989-1998 год


Nissan Murano 3.5 - ECU Mec63-730 производитель Hitachi

Распиновка в файле PDF
Вы не можете скачивать файлы с нашего сервера

© АПК Сервис 2002– TeleTehnika
При копирования материалов активная ссылка на сайт обязательна!
Политика конфиденциальности
Наверх