Первым делом хочется, конечно, добавить сабвуфер, да не простой, а грамотно рассчитанный. В этих расчетах уже все поднаторели: и установщики, и любители, и программ тоже вроде хватает, например
JBL SpeakerShop. Одно только «но» — без параметров Тиэле-Смолла далеко не уедешь.
К сожалению, недорогие и тем особенно интересные динамики часто попадают в руки вообще без каких-либо цифр. Бывает и так, что характеристики вроде есть, но разные, в зависимости от года выпуска. Это встречается даже у известных производителей.
В общем, умение измерять эти величины лишним не будет.
Традиционные методы измерения описаны во многих источниках и секрета не представляют. Более того, в упомянутой выше программе
JBL SpeakerShop есть удобный «мастер», который избавляет от необходимости вручную рассчитывать промежуточные и окончательные значения напряжений, частот и добротностей: нужно собрать приведенную там схему и действовать в соответствии с указаниями программы.
Я сам неоднократно пользовался этой методикой, все здорово, только для измерений требуются:
а) генератор,
б) частотомер,
в) вольтметр переменного тока,
г) усилитель низкой частоты.
Думаю, что где-нибудь к пункту в) из этого списка исследовательский пыл у многих уже малость поугас. Но это еще не все. Сам процесс измерений, постоянная «ловля» требуемых значений частот и напряжений способны утомить даже флегматика: на один динамик уходит в лучшем случае полчаса. Обидно тратить время на такую рутину, поэтому, когда я наткнулся на программу
SpeakerWorkShop, радости не было предела.
Замечательно, нужны только компьютер со звуковой платой и элементарные кабели. Первые несколько дней я честно пытался делать все так, как велит инструкция. Тут меня ждало разочарование. То есть сама по себе программа хорошая, но вот ее help — это что-то. Прочитал его, наверное, раз двадцать, пробовал и так, и этак, но так ничего и не получилось. Что поделать — бесплатный софт сродни сыру той же цены.
Несколько месяцев я продолжал измерять «три цифры» обычными способами, пока на сайте, на котором находится сама программа, не появилась новая ссылка. Спасибо чемпиону РАСКА среди любителей Косте Никифорову за то, что сказал о ней. Предлагаемое ниже описание — мой собственный, упрощенный вариант приставки и краткая инструкция по работе с программой.
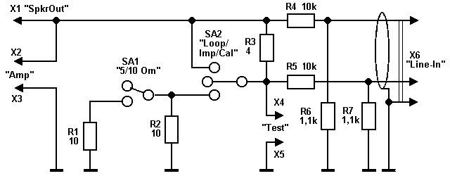
Бывает в жизни — как приклеится к человеку прозвище, так и преследует до конца дней его. Вот и с прибором, который буду ниже описывать, тоже такое случилось — «коробочка», да и все тут. Как я ни пытался выдумать более наукообразное название, ничего не вышло. Схема приведена на рис. 1
Некоторые комментарии по поводу применяемых элементов.
X1 — разъем, подключаемый к выходу усилителя мощности (Spkr Out) звуковой карты, обычно «мини-джек». Сигнал правого и левого канала с усилителя одинаков, поэтому можно использовать любой контакт разъема. При использовании внешнего усилителя подключать одновременно этот разъем к выходу звуковой платы НЕЛЬЗЯ!
X2, X3 понадобятся, если вы будете использовать внешний усилитель мощности. Это более предпочтительный вариант, правда, чуть более громоздкий. Подойдут «колоночные» клеммы, желательно винтовые. Кроме того, в случае использования внешнего усилителя потребуется дополнительный кабель «мини-джек — два тюльпана».
X4, X5 — клеммы, аналогичные X2, X3. К ним будет присоединяться объект исследования. Очень полезно продублировать эти клеммы парой «крокодилов».
X6 — «мини-джек», который будет подключен ко входу Line-In звуковой платы. Распайку правого и левого канала я не привожу — пока соедините как получится, уточним позднее. Провод к разъему нужно брать экранированный.
R1, R2 — резисторы, используемые в качестве эталонных при калибровке программы. Номиналы особой роли не играют и могут быть от 7,5 до 12 Ом, например типа МЛТ-2.
R3 — это резистор, с величиной которого программа «сравнивает» неизвестный импеданс. Поэтому номинал этого резистора должен быть соизмерим с исследуемым. Если в основном предполагается измерять автомобильные динамики, величину R3 можно взять около 4 Ом. Мощность можно выбрать такую же, как для R1.
R4, R5, R6, R7 — любой мощности. Сопротивления могут несколько отличаться от указанных, важно лишь, чтобы R4/R6 = R5/R7 = 10…15. Это делитель, который ослабляет сигнал на входе звуковой карты.
SA1 служит для выбора между двумя эталонными сопротивлениями. Он используется только при калибровке. Можно использовать тумблер, я поставил П2К, соединив параллельно несколько секций.
SA2, пожалуй, самый ответственный. Важно, чтобы он обеспечивал надежный и стабильный контакт, от этого во многом зависит точность результатов.
Итак, «коробочка» собрана. Теперь потребуется омметр, причем максимально возможной точности, желательно измерительный мост. Необходимо установить переключатели во все положения согласно таблице и измерить указанные сопротивления.
| | положение
переключателя | положение
переключателя | сопротивление | сопротивление |
| | SA1 | SA2 | X4-X5 | X2-X4 |
| CAL1 | Верхнее | Нижнее | 10 | 4 |
| CAL2 | Нижнее | Нижнее | 5 | 4 |
| LOOP | Любое | Верхнее | Бесконечность | 0 |
| IMP | Любое | Среднее | Бесконечность | 4 |
Обращаю внимание на то, что при работе потребуются именно реально измеренные значения сопротивлений. Их, а также назначение всех переключателей и входов-выходов лучше всего написать прямо на корпусе — на память надеяться не советую.
Принцип работы системы очень прост. Шумовой сигнал, формируемый программой, подается через усилитель на исследуемый объект через резистор R3 известного сопротивления. Программа сравнивает напряжение на одном канале (верхний вывод R3) с напряжением на другом (нижний вывод R3 и верхний — измеряемого объекта). Гениальная простота идеи состоит в том, что для расчета неизвестного импеданса используются не абсолютные величины напряжений, а их отношение. Благодаря предварительной калибровке по заведомо известным сопротивлениям (R2 и R2-R1) достигается вполне приемлемая точность измерений.
Теперь можно присоединить «коробочку» к звуковой плате. Для первого раза не стоит использовать внешний усилитель: чтобы понять принцип работы, он особо не нужен. А когда принцип станет ясен, его подключение вопросов уже не вызовет.
Настройка программы
Возможно, кому-то описание настройки покажется излишне подробным, но, как показывает практика, удобно, когда весь процесс описан по порядку, а не по принципу «это вы и так знаете, здесь все очевидно, в общем, умные — сами разберетесь».
После первого запуска программы нужно проверить, поддерживает ли ваша звуковая плата «полностью дуплексный режим», т. е. позволяет ли одновременно воспроизводить и записывать звук. Для проверки нужно выбрать пункт меню Options-Wizard-Check sound card. Дальнейшие действия программа проделает самостоятельно. Если результат отрицательный, придется искать другую плату или обновлять драйвер.
Если все в порядке, откройте Volume Control (Регулятор уровня). Выбрав Options-Properties, установите Mute на все регуляторы, кроме Volume Control и Wave. Необходимо отключить все «лишние» опции, вроде Enhanced Stereo и темброблока. Регулятор громкости установите в среднее положение. В завершение переместите окно Volume Control, как показано на рисунке 2.
Теперь откройте еще одну копию Volume Control. Выберите Options-Properties, установите режим записи (Recording). Имя окна изменится на Recording Control (Уровень). Аналогично вышеописанному поставьте Mute на все регуляторы, кроме Recording и Line-In. Регулятор уровня поставьте в положение максимума. Потом, возможно, уровень потребуется изменить, но об этом позже. Переместите окно Recording согласно рисунку.
Один из самых ответственных этапов настройки — правильно выбрать входные и выходные уровни сигналов. Для этого создайте новый сигнал, выбрав пункт Resource-New-Signal. Дайте ему какое-нибудь имя, например sign1. По умолчанию будет выбран синусоидальный тип сигнала (Sine), что нас вполне устраивает. Имя нового сигнала должно появиться в окне проекта (то, что слева).
Для того чтобы что-то сделать с сигналом или динамиком, его нужно обязательно открыть. Думаете, для этого достаточно двойного щелчка? Вот тут таится одна из особенностей интерфейса программы: для открытия ресурса требуется сначала щелкнуть на имени ресурса левой кнопкой мыши, затем либо выбрать пункт Open из меню, появляющегося при нажатии правой кнопки, либо нажать F2 на клавиатуре. Вновь нажмите правую кнопку и войдите в Properties. Там нужно выбрать закладку Sine и ввести значение частоты 500 Гц. Фаза сигнала — 0. OK.
Установите переключатели «коробочки» в положение LOOP (согласно таблице). Убедившись в том, что сигнал открыт, войдите в меню Sound-Record — появится диалог Record Data. Введите туда те значения, которые приведены на рис. 3. Нажмите OK; если к клеммам Test подключен динамик, раздастся кратковременный «шип».
Посмотрим на дерево проекта. Там появится несколько новых объектов с именами, начинающимися с sign1. Откройте ресурс с именем sing1.in.l. На появившемся справа графике нажмите правую кнопку мыши и выберите Chart properties. Выберите закладку X Axis и установите в разделе Scale максимальное значение, равное 10. Затем выберите Y Axis и установите диапазон значения Minimum и Maximum — 32 K и 32 K соответственно. Нажмите OK. График должен выглядеть как 4,5 периода синусоидальных колебаний. Проделайте все то же самое с ресурсом sing1.in.r.
Теперь нужно выяснить уровень выходного сигнала, при котором наступает ограничение. Для этого понемногу увеличивайте уровень регулятором громкости, повторяя каждый раз процедуру записи (пункт меню Sound-Record Again) и анализируя графики sign1.in.r и sign1.in.l. Как только появится видимое ограничение амплитуды (обычно при уровнях ~20 K), нужно немного уменьшить уровень сигнала. На этом процесс установки уровня можно считать законченным.
В оригинальной методике автор предлагает проверить теперь соответствие левого и правого каналов. Я это делал, но впоследствии оказалось, что их пришлось поменять местами. Так что лучше перейти сразу к калибровке программы по известным сопротивлениям — там «правый-левый» заодно и проверим.
Для начала убедитесь в том, что к тестовым клеммам (X4, X5) ничего не подключено. Затем откройте меню Option-Preferences и выберите там закладку Measurements. Установите Sample Rate в крайнее правое положение, а Sample Size — равным 8192. Громкость надо сделать равной 100. В дальнейшем при реальных измерениях для большей точности нужно устанавливать больший Sample Size. Правда, при этом возрастает размер файла. Точность можно повысить, уменьшив Sample Rate, — при этом снизится верхняя граничная частота измерений, но для сабвуферов это совершенно неважно.
Теперь надо проверить разбаланс каналов. Для этого выберите пункт Option — Calibrate-Channel Difference и нажмите кнопку Test. Дальнейшие действия подскажет программа. Результаты проверки будут находиться в разделе Measurement.Calib папки System (в окне проекта). Какие точно значения должны получаться, я не знаю, на практике разбаланс выходит порядка десятых долей (в безразмерных единицах), а уровень сигнала на выходе каждого из каналов при этом — в районе 20000 этих же единиц. Думаю, такое соотношение можно считать приемлемым.
Дальше — самое интересное. Мы будем измерять заведомо известные сопротивления. Войдите в пункт Options-Preferences и выберите закладку Impedance. В поле Reference resistor введите измеренную величину сопротивления между клеммами X2 и X4. В соседнее поле (Series resistor) можно ввести значение, например 0,2, программа потом сама подставит туда то, что сочтет нужным. Теперь нажмите кнопку Test. Установите переключатели «коробочки» в режим CAL1 и введите измеренное на клеммах значение эталонного сопротивления R2. (Вы его уже забыли? А я ведь советовал записать.) Нажимаем кнопку Next и повторяем то же самое, но в режиме CAL2. Кстати, советую при калибровке и измерениях постоянно следить за индикатором, который находится возле регулятора уровня. При появлении там «красных делений» я слегка уменьшаю уровень громкости. После этого нужно повторить калибровку. Поначалу процесс освоения длится долго, но через пару сеансов работы с программой все настройки нужно будет в основном контролировать. Это занимает всего несколько минут.
Итак, программа выдала, каковы, на ее взгляд, значения Reference и Series резисторов. Если отличия от введенных нами величин небольшие (например, 4,2 ома вместо 3,9) — все замечательно. Можно пройти для верности процесс еще разок и приступить к реальным измерениям. Если программа выдает явный бред (например, отрицательные значения) — значит, надо поменять местами правый и левый каналы в разъеме X6 и повторить настройку заново. После этого, как правило, все становится нормально, хотя у некоторых коллег наблюдалось устойчивое нежелание программы настраиваться. То ли звуковая карта какая-то не такая, то ли еще что — не знаю. О встретившихся сложностях и найденных путях их преодоления сообщайте, оформим в виде FAQ (чувствую — придется).
Вроде настроились. Можно начать пожинать плоды своего труда. Берем какой-нибудь конденсатор или катушку индуктивности, щелкаем тумблер в положение IMP, выбираем созданный ранее сигнал sign1, пункт меню Measure-Passive Component… Есть результат? Должен быть. Не знаю, кто как, а я испытываю какую-то первобытную радость, когда вижу, что программа сама распознала, что за компонент я подключил, и выдала его значение «в простой письменной форме».
Точность измерений пассивных компонентов, по скромным оценкам, составляет 10—15%. Для изготовления кроссоверов этого, на мой взгляд, вполне достаточно.
Теперь переходим к динамикам. Здесь все так же легко и просто. Создаем новый динамик (Resource-NewDriver), указываем ему имя, открываем (напоминаю, клавиша F2). Теперь изучаем меню Measure. В принципе программа (ее подсказка) советует получить импедансы динамика в свободном состоянии (Fre — Air), затем в закрытом ящике, ввести значение объема ящика в Properties этого динамика, а затем рассчитать параметры Тиэле — Смолла (для этого, открыв динамик, нужно войти в меню Driver Estimate Parameters). Тут, однако, я встретил еще один подводный камень, поскольку значение эквивалентного объема программа считать отказывается (остается значение по умолчанию, 1000 л). Не беда, из двух графиков импеданса берем значения резонансных частот Fs и Fc и считаем Vas вручную по известной формуле: V
as=V
b•((F
c/F
s)
2-1). Кто-то уже, наверное, ворчит, дескать, вот еще, самому что-то считать приходится — советую вспомнить, сколько вычислений производится при полностью «ручном» методе определения параметров. Вообще-то я надеюсь, что в последующих версиях программы эта и другие досадные ошибки будут устранены.

Приведу результат еще одного эксперимента, который я придумал, чтобы проверить «собственную АЧХ» всего измерительного комплекса. Для этого я взял постоянный резистор, но обманул программу, указав ей, что это якобы динамик. После этого попросил снять характеристику импеданса этого резистора (см. рис. 4). По графику видно, что даже при использовании усилителя звуковой карты погрешности, зависящие от частоты сигнала, небольшие. Что касается практического использования программы для измерения характеристик саб- и просто вуферов, хочу поделиться небольшими секретами. Дело в том, что к измерению собственно параметров Т-С я подхожу не слишком серьезно. Основной упор же делаю потом, когда снимаю характеристики готовых ящиков. В случае оформления «закрытый ящик» из зависимости импеданса от частоты можно узнать реальную добротность и резонансную частоту. Кроме того, если ящик негерметичен, на графике появится дополнительный пик на собственной резонансной частоте динамика (Fs). Еще интереснее настраивать фазоинвертор. Когда это делаешь вручную, точно определить Fb бывает непросто — «впадина» на графике очень пологая, поэтому точность получается порядка 1—2 Гц. С помощью программы следить за настройкой порта на нужную частоту проще. Взгляните на рис. 2. Там как раз изображен график импеданса динамика в фазоинверторе. Очень хорошо видны все нужные частоты, фазоинвертор «настроился» на 40 Гц.
Хочу надеяться, что описанный мной простой и недорогой инструмент облегчит труд творчески мыслящего установщика. Конечно, конкуренции «Брюль&Къеру» он не составит, но ведь и вложения требуются совсем небольшие.
Повторите — не пожалеете.