Toyota IQ (Bosch 0 281 015 509)

------------------------------------------------------------------------------------------------------------------
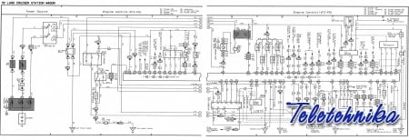
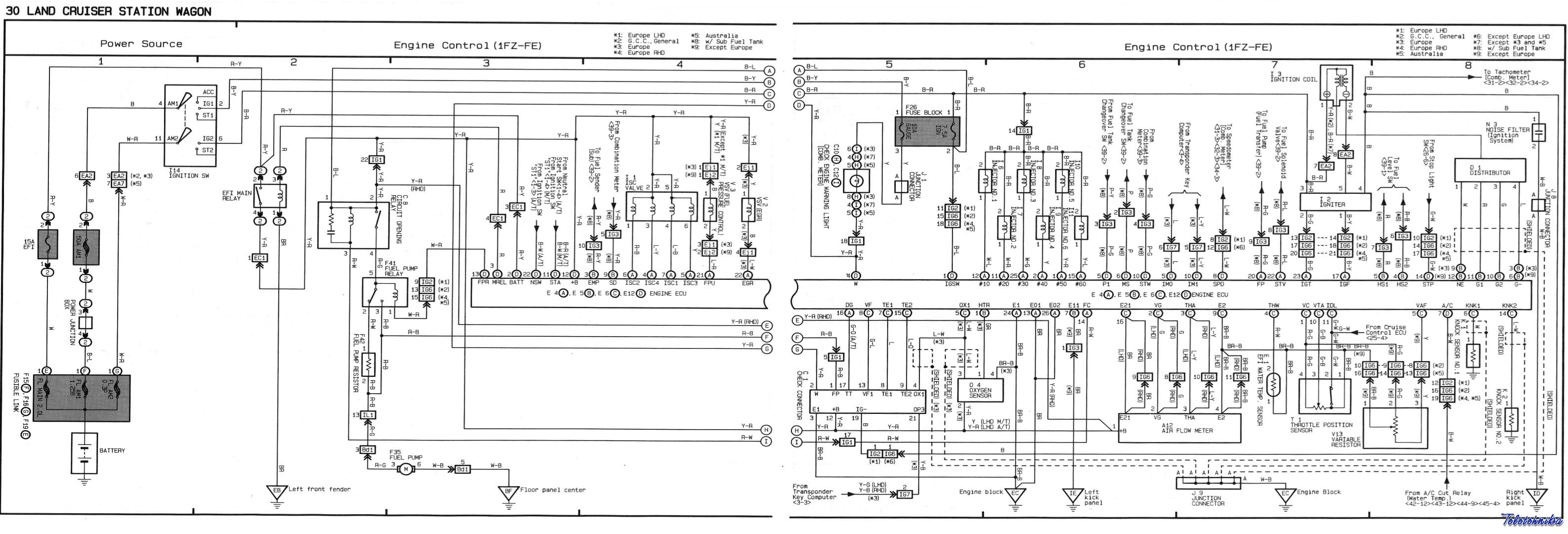
Toyota Land Cruiser 30 с двигателем 1FZ-FE



----------------------------------------------------------------------------------------------------------------------
Toyota Aygo, Yaris

----------------------------------------------------------------------------------------------------------------------
Toyota Aygo (Bosch 0 261 S04 464)

--------------------------------------------------------------------------------------------------------------------
Toyota HiAce 2011 1KD-FTV 89661-26L10



Подключение что у хайаса что у прады с таким мотором одинаковое
Иформация дёрнута отсюда
-----------------------------------------------------------------------------------------------------------------------
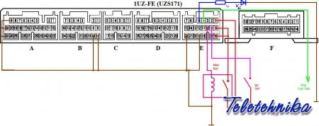
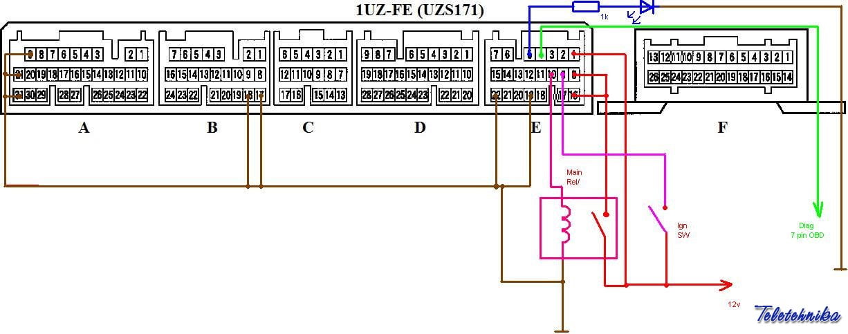
Toyota Cresta 1UZ-FE 2000 года

Информация взята здесь
--------------------------------------------------------------------------------------------------------------------
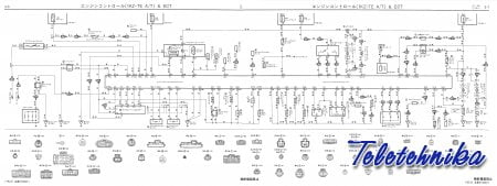
Toyota Estima MCR30 engine 1MZ-FE, ECU 89666-28171

Первая часть схемы
Вторая часть схемы
-------------------------------------------------------------------------------------------------------------
Подключение двигателя 1LZ-GE, Progres JCG1# c 1998г.

------------------------------------------------------------------------------------------------------------------
Toyota Celsior 3UZ FE 89661 50590


------------------------------------------------------------------------------------------------------------
Bosch ME 7.9.52 Citroen - Peugeot - Toyota

----------------------------------------------------------------------------------------------------------------
Toyota Surf (Disel)

----------------------------------------------------------------------------------------------------------------
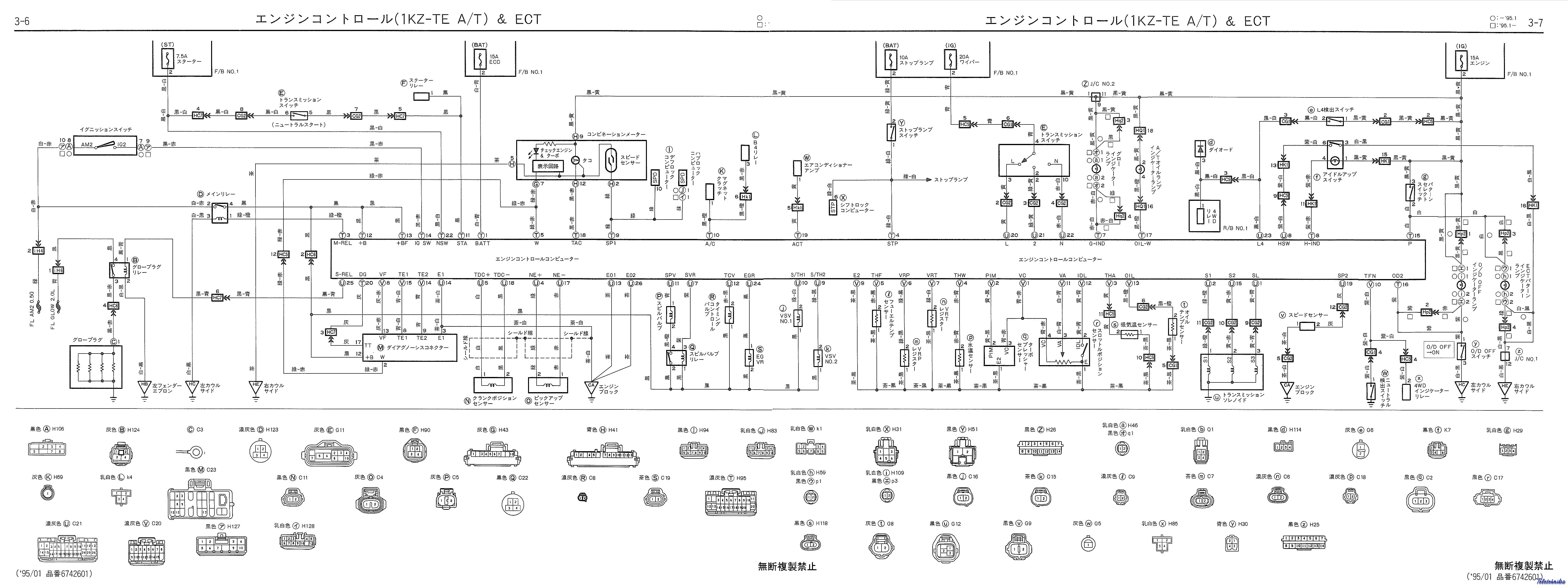
Toyota Prado 3.0 литра двигатель 1KZ-TE

---------------------------------------------------------------------------------------------------------------
Toyota двигатель 1KZ-TE (89661-26180)

------------------------------------------------------------------------------------------------------------
Toyota Hilux, Surf двигатель 1KZ-TE

------------------------------------------------------------------------------------------------------------
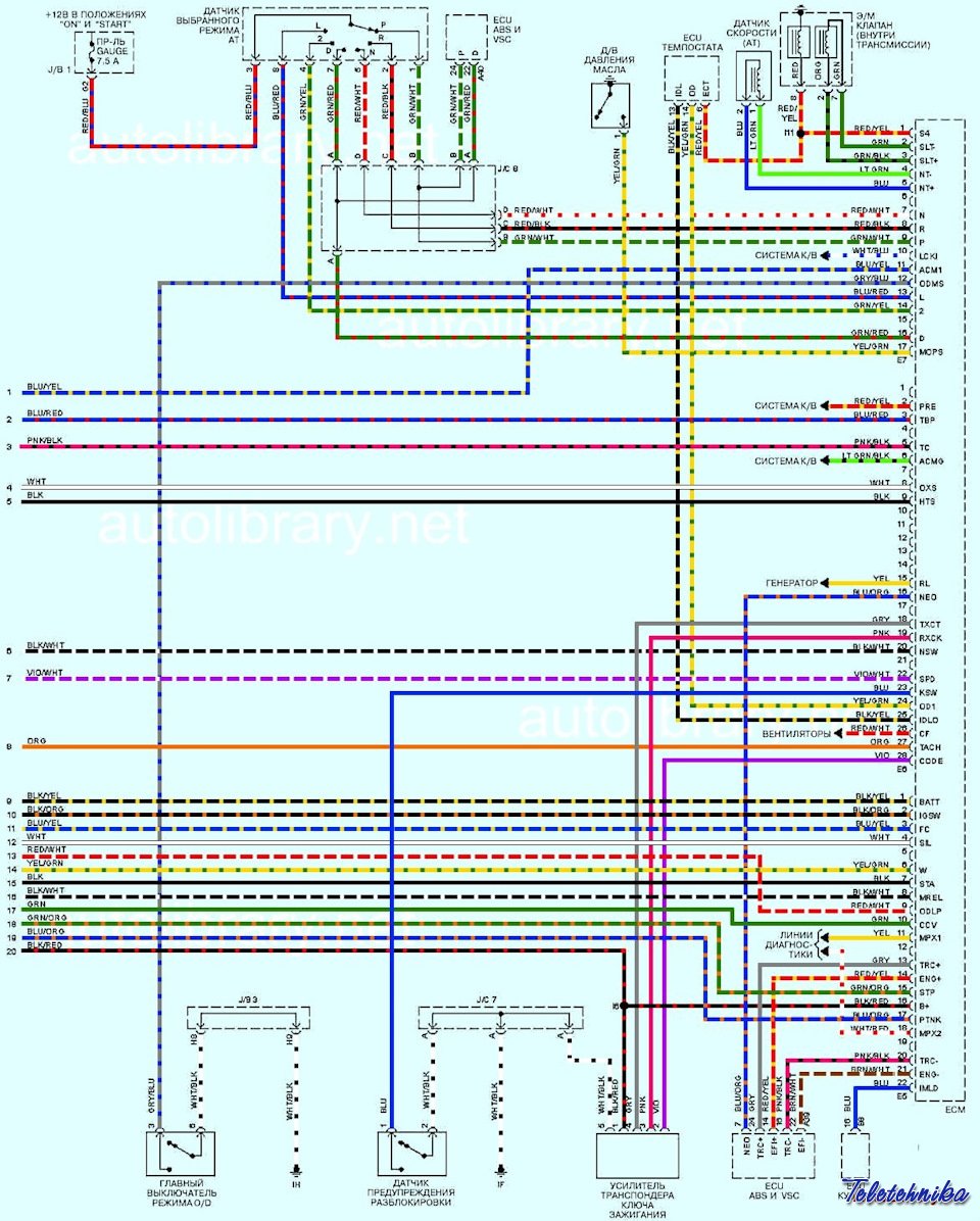
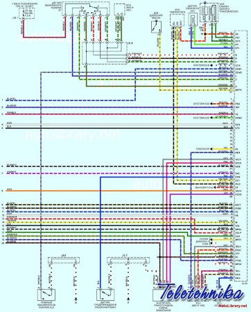
1UZ-FE ECU 89661-3F170 (Crown/Majesta UZS175 после 08.2001)



Информация заимствована с сайта - https://www.drive2.ru/b/500755804391998755/
----------------------------------------------------------------------------------------------------------
Блок efi 2JZ-GE — 89661-51011 lexus is300



Информация заимствована с сайта - https://www.drive2.ru/b/2874588/
----------------------------------------------------------------------------------------------------------------




----------------------------------------------------------------------------------------------------------------






















----------------------------------------------------------------------------------------------------
Toyota Supra JZA80 / Aristo JZS147 2JZ-GTE non-vvti ECU Pinout Diagram

----------------------------------------------------------------------------------------------------
1JZGTE - Двигатель Toyota 1JZ-GTE — это рядный турбированный шестицилиндровый двигатель.

-----------------------------------------------------------------------------------------------------------------
1JZ-GTE. JZZ30

----------------------------------------------------------------------------------------------------------------
ЭБУ двигателя 2AZ-FE, на Toyota Kluger
Toyota Avensis 1ZZ-FE с 2003-го года. TOYOTA 89661-48701, DENSO 275100-0111


BAT - E9-3
B+ - E9-1
IGSW - E9-9
GND - E12-7
K-Line - E9-18
---------------------------------------------------------------------------------------------------------------------------------
Toyota SUPRA MK3 JZA-70 1JZ-GTE



В связи с частыми выходами из строя штатного контроллера двигателя на 1KZ-TE (89661-60250) решил собрать в одном месте все распиновки ECT, которые смог найти и проверить. Проверять старался очень тщательно, но 100% гарантию не дам, т.к. многообразие контроллеров на 1KZ-TE впечатляет.
Теоретически с любым из этих контроллеров двигатель должен нормально работать, но возможно какие то датчики отличаются. Перед заменой желательно это уточнить.
Собственно сами распиновки:

Все эти контроллеры имеют одинаковые разъемы: 26P 16P 22P.
Условные обозначения:
THO — Датчик температуры жидкости АКПП
M-REL — Главное реле
S-REL — Реле свечей накала
+B — Плюс с главного реле
+BF — Плюс с главного реле
IG SW — Плюс с замка зажигания
NSW — Сигнала от выключателя нейтрали или выключателя запрещения запуска
STA — Сигнал стартера
BATT — Постоянный плюс
W — Индикатор Check Engine
TAC — Тахометр
SP1 — Датчик скорости № 1 (с панели)
A/C — Муфта кондиционера
ACT — Контроллер кондиционера
STP — Стоп-сигнал (?)
L — Положение селектора L (?)
2 — Положение селектора 2 (?)
N — Положение селектора N (?)
G-IND — Индикатор свечей накала
OIL-W — Индикатор перегрева АКПП
L4 — Пониженная передача
HSW — Включение режима Idle-Up (+)
H-IND — Индикатор режима Idle-Up
P — Режим Power
DG — Диагностика
VF — Диагностика
TE1 — Диагностика
TE2 — Диагностика
E1 — Масса
TDC+ — Датчик положения коленвала +
TDC- — Датчик положения коленвала ?
NE+ — Датчик частоты вращения ТНВД +
NE- — Датчик частоты вращения ТНВД ?
E01 — Масса
E02 — Масса
SPV — Клапан SPV
SVR — Управление реле SPV
TCV — Клапан регулировки угла опережения впрыска
EGR — Управление клапаном EGR
S/TH1 — Управление клапаном № 1 малой заслонки
S/TH2 — Управление клапаном № 2 малой заслонки
E2 — Масса датчиков
THF — Датчик температуры топлива
VRP — Корректирующий резистор № 2
VRT — Корректирующий резистор № 1 (Серая фишка)
VAT — Корректирующий резистор № 1
THW — Датчик температуры ОЖ
PIM — Датчик давления турбины
VC — Датчик положения дроссельной заслонки
VA — Опорное напряжение на датчик ДТ и ДПДЗ
IDL — Датчик положения дроссельной заслонки
THA — Датчик температуры воздуха на впуске
OIL — Датчик температуры жидкости АКПП
S1 — Соленоид АКПП № 1
S2 — Соленоид АКПП № 2
SL — Соленоид блокировки гидротрансформатора
SP2 — Датчик скорости № 2 (с коробки)
TFN — Датчик нейтрали в раздатке
OD2 — OD / Off
OD1 — Круиз контроль
IMO — Иммобилайзер
IMI — Иммобилайзер
SNW — Включение «зимнего режима»
SNWL — Индикация «зимнего режима»
PS — Датчик давления рейки
1KZTE (KZJ78 89661-60250)

6AR-FSE Toyota 50 2 литра
2AR-FE Toyota 50 2.5 литра

2GR-FE 3.5L V6