В этой статье рассмотрены пульты дистанционного управления (ДУ) на инфракрасных (ИК) лучах отечественного производства, которыми комплектуется современная бытовая техника. К сожалению, надёжность и долговечность пультов оставляет желать лучшего, что ставит перед ремонтниками задачи их грамотного обслуживания и квалифицированного ремонта. Основными причинами замены ПДУ на новые является некачественная сборка, небрежное обращение пользователей с ними, неподходящие климатические условия и некачественные элементы питания.

История развития ПДУ

Первые эксперименты по внедрению дистанционного управления ламповыми радиоприёмниками были предприняты немцами в конце 30-х годов. Пульт представлял собой выносную панель управления, соединённую многожильным кабелем с радиоприёмником. Нажатие кнопки на пульте замыкало цепь питания соответствующего исполнительного элемента (электромагнитного реле или электродвигателя), установленного в радиоприёмнике. Подобная схема управления содержала довольно громоздкую электронную часть, и при этом пользователь был привязан электрическим кабелем определённой длины к аппарату.
Дальнейшим развитием ПДУ в начале 70-х годов стал пульт, оснащенный ультразвуковой передающей системой, который работал на частотах от 30 до 45 кГц..
В 1972 г. Хассо Платтнер ушел из IBM и основал свою компанию SAP. Чтобы наладить деловые контакты ему приходилось встречаться с разными людьми. Как-то на одной из приватных встреч с менеджерами из JVC он захотел показать что-то на экране телевизора JVC, встал. запутался в проводе дистанционного управления, упал, разлил коктейль, испортив себе костюм и вогнал в краску японцев. Поднявшись. он с досадой проговорил: "Разве нельзя использовать радиоволны, чтобы переключать программы?" И через год появился пульт на СВЧ-лучах…
Принцип его действия состоял в том, что каждой передаваемой команде присваивалась персональная частота в ультразвуковом диапазоне. В ПДУ был собран генератор, частота которого изменялась в зависимости от величины емкости конденсаторов или сопротивления резисторов в задающей цепи генератора. Выбор частоты осуществлялся подключением соответствующего элемента при нажатии определенной кнопки ПДУ. В приемной части этот сигнал улавливался чувствительным микрофоном и поступал на схему декодирования, где для идентификации сигнала использовалось несколько параллельных трактов усиления с резонансными контурами, настроенными на частоты своих команд. На выходах резонансных усилителей появлялись соответствующие напряжения.

С появлением первых микросхем, разработанных и изготавливаемых фирмой INTEL, появились ультразвуковые системы ПДУ, изготовленные на микросхемах и работающие на одной фиксированной ультразвуковой частоте. Для передачи различных команд в этих системах применялись различные типы модуляции ультразвуковой несущей. Такое решение позволило упростить и удешевить схемы приемников ДУ и увеличить количество передаваемых команд. Одной из первых моделей с усовершенствованным ДУ был телевизор фирмы RCA. Уже тогда в системе ДУ этого телевизора было применено цифровое кодирование ультразвукового сигнала с помощью широтноимпульсной модуляции (ШИМ). Но и эти пульты имели целый ряд недостатков: мощность излучения пульта для повышения надежности всегда делалась с большим запасом, так как ультразвуковые волны сильно поглощались мягкой мебелью, шторами, коврами, к тому же энергопотребление электронной начинки сокращало срок службы элементов питания до трех месяцев.
В начале 70-х годов фирма INTEL изготовила первые микропроцессоры серии 8080, фирмы GRUNDIG и MAGNAVOX взяли эту новинку на вооружение и сделали первый микропроцессор для систем ДУ. В такой системе для управления всеми функциями аппаратуры достаточно подать на соответствующий выходной порт микропроцессора цифровой код нужной команды, которую легко генерировать при помощи того же микропроцессора. Этим устройством и является специализированная микросхема ПДУ, использующая жестко прошитую в ней программу управления. Первые ПДУ фирмы GRUNDIG назывались "TELEPILOT".

В 1974 г. фирмы GRUNDIG и MAGNAVOX выпустили первый цветной телевизор с микропроцессором управления на ИК-лучах. Телевизор имел экранную индикацию (OSD), где в углу экрана появлялось изображение номера канала. Эта система ко-манд получила название первенца фирмы GRUNDIG - система IТТ. Дальнейшее развитие получила система команд RC-5, кото-рая была разработана фирмой PHILIPS, где было увеличено в 4 раза (до 2048) число передаваемых команд. Несущая частота стала 36 кГц, расположенная между частотами 30 и 40 кГц, выбранными еще в первых ультразвуковых передатчиках. Несущая частота 36 кГц была выбрана так, чтобы она не попадала в зону частот радиопередач европейских стран, не мешала приему и имела большую дальность распространения. С дальнейшим развитием телевизионной техники и ее усложнением, с появлением большего числа телевизионных программ, появлением видеомагнитофонов, спутниковых тюнеров, CD и DVD-проигрывателей потребовались более совершенные микропроцессоры. Фирмами SIEMENS и THOMSON были разработаны микропроцессоры, где использовался высокоскоростной цифровой метод передачи данных, а число команд было увеличено до 4096. Первые ПДУ этой системы изготавливались на микросхемах М708, М709, М710. В этой системе используется двухфазно-модулированный сигнал, а несущая частота осталась прежней - 36 кГц. Такие ПДУ обладали большей стабильностью несущей частоты, а следовательно, большей надежностью срабатывания команд и повышенной помехозащищенностью.
В начале 90-х годов фирмой PHILIPS была внедрена более совершенная система команд, которая объединила все лучшее из систем RC-5 и SIEMENS, и стала называться "объединенной системой команд". В этой системе с помощью одних и тех же кнопок на ПДУ можно выполнять различные команды при выборе функций "MENU-1" и "MENU-2". Таким образом, при меньшем количестве кнопок ПДУ можно управлять большим числом команд.
Сейчас уже трудно представить себе без пультов дистанционного управления современную видео- аудиотехнику. Но если телевизор, видеомагнитофон или музыкальный центр - вещи долгоживущие, обычно служат своим хозяевам не один год, то не так обстоит дело с пультами дистанционного управления. Надписи на кнопках постепенно стираются, токопроводящий слой портится, а дети, собаки, семейные ссоры. неумеренные возлияния, попытки просмотра телевизора в ванной (было) значительно сокращают жизнь пульта. Смотреть телевизор или видеомагнитофон не вставая с кресла уже не получается, но не покупать же новую технику, если сломался пульт дистанционного управления…

Микросхемы, применяемые в ПДУ отечественных телевизоров.

В современных отечественных телевизорах для обработки сигналов ДУ применяют следующие микросхемы:
HEF4053B - Коммутатор сигналов.
PCA84C64P/06 - Микроконтроллер синтезатора напряжений.
PCF8481 - Микроконтроллер телетекста.
SAA1293 - Однокристальный контроллер управления телевизором.
SAA5231 - Видеопроцессор телетекста.
SAA5243P/R - Формирователь R, G, B, F сигнала телетекста, управление компьютером телетекста (ECCT).
SDA2570B - Амлитудный детектор, задающий генератор строк АПЧФ, модуль кадр в кадре - МКК 601.
SDA9086-3 - Внешняя ФАПЧ процессора обработки сигнала.
SDA9087 - Трёхканальный аналого - цифровой преобразователь.
SDA9088-2 - Процессор обработки сигнала врезки.
TPU2735 (TPU2732) - Однокристальный процессор телетекста.
К561КП2, К1561КП2 - Восьмиканальный мультиплексор, дешифратор команд.
КС573РФ5 - Внешняя память формирователь команд управления.
К590КН6 - Восьмиканальный дешифратор команд.
К1051ХЛ1 - Индикатор номера канала на экране телевизора.
К1054ХА3 (К1054УИ-1) - Приёмник ИК сигналов ДУ, аналог TBA2800.
К1056ХЛ1 - Передатчик команд ДУ, питание 3в, аналог К1506ХЛ1, IRT1260.
К1056УП1 - Приёмник ИК сигналов ДУ, аналог TBA2800.
К1074ХЛ1 - Передатчик команд ДУ, питание 3в, аналог К1506ХЛ1, IRT1260.
К1506ХЛ1 - Передатчик команд ДУ, питание 9в, аналог SAA1250.
К1506ХЛ2 - Процессор ДУ, питание 12-18в, аналог SAA1250.
К1560ХЛ3 - Передатчик команд ДУ, RC-5, питание 3в, аналог SAA3010.
К1506ХЛ4 - Передатчик команд ДУ, питание 3в, аналог К1506ХЛ1, IRT1260.
К1533АП4 - Коммутатор, детектор команд управления, усилитель мощности для МСН-501.
КР1533ИР22 - Регистр.
К1566ХЛ1 - Передатчик команд ДУ, питание 3-9в, аналог К1506ХЛ1.
К1566ХЛ2 - Процессор ДУ, питание 12-18в, аналог К1506ХЛ2.
К1566ХЛ3 - Передатчик команд ДУ (пульт RC-5), питание 3в.
К1568ВГ1 - Контроллер ДУ телевизором RC-5, аналог PCA84C640A.
К1568PP1 - Репрограммируемая, энергонезависимая схема памяти ёмкостью 256 слов, 8 бит каждое.
К1568ХЛ1 - Передатчик команд ДУ, пульт RC-6, питание 3в, аналог SAA3010.
К1568ХЛ2 - Приёмник ИК сигналов ДУ, 36 кгц.
К1628РР1 - Репрограммируемая, энергонезависимая схема памяти ёмкостью 128 слов, 8 бит каждое, аналог MDA2061.
К1628РР2 - Энергонезависимая перепрограммируемая память на 1024 бита. Предназначена для запоминания предварительно установленных значений настройки на канал для каждой из выбранных программ телевизора и одного набора значений аналоговых регулировок.
КР1816ВЕ35 - Формирователь команд управления (8-разрядная однокристальная микро-ЭВМ без ПЗУ).
К1853ВГ1-03 - Однокристальный контроллер управления телевизором, аналог SAA1293.
УПТ1 - Передатчик команд ДУ, питание 9в, аналог К1506ХЛ1.
УПТ2 - Процессор ДУ, питание 12-18в, аналог К1506ХЛ2

Все перечисленные выше микросхемы относятся к системе передачи команд ITT.
Отечественные ПДУ системы ITT взаимозаменяемы, и отличаются лишь наличием или отсутствием следующих функций:
-Переключение программ по кольцу, режим "СЕРВИС"
-Настройка на программы с пульта с функциями ("+S") и ("-S")
-Выбор диапазона (VHF), кнопка "B"
-Память (кнопка "M"), занесение в память параметров настройки, "O/AV", "VCR", "PAL"
Многие зарубежные ПДУ телевизоров могут быть заменены отечественными RC-4, RC-10, RC-401, производства "HORIZONT".

ПДУ-2. Самый первый пульт появившийся в СССР. Им комплектовался телевизор "SELENA", который собирался в Белоруссии. Пульт собирался на микросхеме К1506ХЛ1.
Схема пульта

ПДУ-2-1М. Ничем не отличается от предшествующего. Все функции ПДУ-2 были перенесены в корпус "HORIZONT".
Схема пульта

RC-4. Был разработан для телевизора "Horizont 51CTV-441", а также "TVT-441", и в настоящее время занимает лидирующее место среди отечественных пультов. ПДУ RC-4 собирается на микросхеме К1506ХЛ1 (9В) и К1506ХЛ4 (3-9В)
Схема пульта

RC-10. Является дальнейшей модификацией пульта RC-4 и обладает более широкими функциями. Он применяется в основном с телевизорами, в которых установлен блок МСН-401, собранный на микросхеме К1853ВГ-03 или SAA1293. Пульт собирается на микросхеме К1566ХЛ1 или К1506ХЛ4
Схема пульта

RC-401. Является последней модификацией пультов ПДУ-2, RC-4, RC-10. Имеет все необходимые функции RC-4, RC-10 и три дополнительные функции ("O/AV"), ("VCR"), ("PAL"). Выполнен нп микросхеме К1506ХЛ4 или К1566ХЛ1.
Схема пульта

РУБИН. Имеет функции пульта RC-4. Собран на микросхеме К1506ХЛ1
Схема пульта

RC-500. Самый первый ПДУ формата RC-5, появившийся в России в начале 90-х годов. Пульт собран на микросхеме К1506ХЛ1, К1568ХЛ1 или SAA3010. Он подходит к отечественным телевизорам (5УСЦТ) Рубин 54ТЦ-5143/5144, Рубин 42ТЦ5144, Горизонт 51СTV-510, Horizont 51/54CTV-518, Электрон 51/54/61 NW-502, Электрон 61ТЦ-500.
Схема пульта

RC-600. Используется для телевизоров 51/54CTV-601, 602, 603E, появился в результате дальнейшего развития ПДУ RC-500 и обладает рядом преимуществ.
Схема пульта

RC-51331. К телевизору "TVT", собираются на микросхеме SDA2208, MC144105 или KS51810-50 работают в системе Siemens. Возможна замена аналогичными пультами Grundig или Siemens Beco, собранными на микросхеме МС144105.
Схема пульта

Waltham (Россия). Модель телевизора "Waltham" (Россия) и ПДУ для него были разработаны фирмой "Thomson" при содействии фирмы "Philips". Пду собран на микросхеме SAA3007 (Philips) или M3005 (Thomson). Эти телевизоры и ПДУ изготавливались также фирмами SABA (T-6301/FF345, TC-342, TC-365, TC-440, TC-460), Telefunken, Thomson, Videoton, Nordmende.
Схема пульта

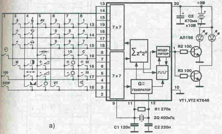
Funai (Россия). Собран на базе корпуса "Горизонт" на микросхеме BU5800F, выполненной в 18 выводном планарном корпусе, и имеет напряжение питания 3В. В выходном каскаде используются 2 транзистора КТ646, что позволило увеличить дальность передачи ИК-излучения и его угол.
Схема пульта

Теги: ПДУ

© АПК Сервис 2002– TeleTehnika
При копирования материалов активная ссылка на сайт обязательна!
Политика конфиденциальности
Наверх