Проведение измерений при диагностике неисправностей в полноразмерных видеокамерах Panasonic осложнено отсутствием маркировок большинства элементов на печатных платах, в том числе на главной, где расположены импульсный источник питания (ИИП) и системы электропривода.
Главные печатные платы всех моделей видеокамер размером 115?195 мм имеют много общего. Топология, расположение соединительных разъемов, микросхем и целого ряда других элементов одинаковы. Обозначения печатных плат без элементов — VJB, с установленными элементами — VEP, причем это характерно для всей видеотехники VHS/S-VHS фирмы MATSUSHITA.
В частности, в моделях NV-M40E, M3000EN и M3300MC применены главные платы VEP03945 или VEP03946, в моделях NV-M40E3, M3000EN3 и M9000 — VEP03A86, в модели AG-DP200 — VEP03D30, в модели NV-M3500EM — VEP23406.

Примечание:
существенным отличием моделей NV-M40E, M3000EN, M3300MC от моделей NV-M40E3, М3000EN3, M3300VC3 является использование различных типов БВГ. В трех первых моделях установлен БВГ типа VEG0990 с верхним съемным цилиндром VEH0574, а в остальных — БВГ типа VEG1101 (поставляется в сборе с верхним цилиндром).
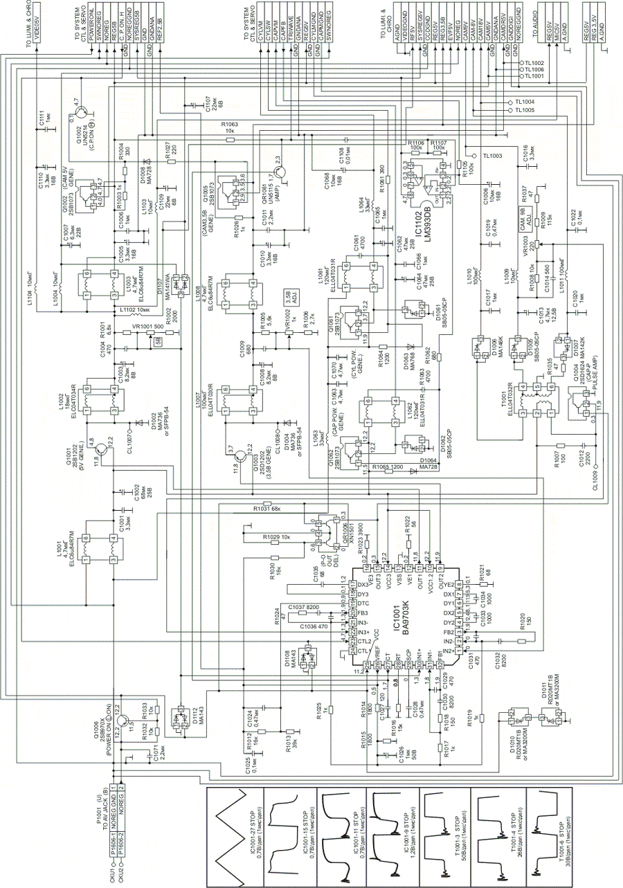
ИИП всех моделей выполнены практически по одной схеме. На рис. 1 показана схема ИИП для моделей NV-M9000, MS4, MS5, AG455, DP200. Отличия схемы ИИП для моделей NV-M40/M300 заключаются в наличии дополнительного стабилизатора напряжения на транзисторе Q1063 для цепи СYLNOREG, дросселя L1065 и конденсатора С1074 для цепи DRV5V.

Смотреть схему здесь:

Запуск источника питания осуществляется сигналом низкого уровня POWERONL от выв. 7 центрального процессора IC6004, при этом открывается транзистор Q1006 и напряжение питания 12,2 В поступает на выв. 25 микросхемы IC1001. При этом запускается внутренний генератор треугольного напряжения, частота генерации которого (около 500 кГц) определяется емкостью конденсатора С1027. Такая высокая частота позволила существенно уменьшить номиналы индуктивностей, емкостей и размеры фильтрующих элементов, при этом геометрические размеры отсека ИИП составляют 45х35х15 мм. Тепловыделение элементов ИИП при работе умеренное, но сильнее всего нагревается транзистор Q1001, и поэтому он чаще всего выходит из строя. В моделях S-VHS этот транзистор установлен на радиатор. Генератор треугольного напряжения управляет работой трех компараторов, формирующих импульсы с изменяющейся скважностью — ШИМ сигнал. Каждый из трех каналов регулируется независимо один от другого.
Первый канал формирует ШИМ сигнал на выв. 11 IC1001, сигнал ООС для него поступает на выв. 30 микросхемы. Этот сигнал управляет ключевой схемой на элементах Q1001, D1002, L1002, С1003, вход которой подключен к источнику +12 В. На выходе схемы формируется стабилизированное напряжение +5 В. Его значение устанавливается подстроечным резистором VR1001. К каналу +5 В подключены различные „потребители” видеокамеры. Через фильтр L1102 С1107 напряжение +5 В по цепи SYSREG5V поступает на систему управления, через фильтр L1104 С1110 С1111 — в канал изображения (цепь VIDEO5V), через фильтр L1004 С1007 — на видоискатель (цепь EVF5V), через фильтр L1003 С1005 С1006 (цепь REG5V) на большинство устройств видеокамеры, не требующих развязки друг от друга, а через ключевой каскад на транзисторах Q1002, QR1002 — на камерную часть (цепь CAM5V) при подаче напряжения +5 В по цепи C.P.ON.H.
Второй канал формирует выходной ШИМ сигнал на выв. 9 IC1001, а сигнал ООС поступает на выв. 1 микросхемы. Он управляет ключевой схемой на элементах Q1003, D1004. На выходе схемы формируется напряжение +3,5 В (регулируется в небольших пределах подстроечным резистором VR1002). Выходное напряжение +3,5 В по цепи REG3,5V поступает на каналы изображения и звука постоянно. Это же напряжение цепи САМ3,5V проходит на камерную часть видеокамеры через ключ на транзисторе Q1005, управляемый сигналом C.P.ON.H через ключ на транзисторе QR1002.
Третий канал формирует выходной ШИМ сигнал на выв. 15 IC1001, сигнал ООС поступает на выв. 22 микросхемы. Этот сигнал управляет ключевой схемой на элементах Q1004, Т1001, D1005-D1007, С1017, С1013, С1020, которая формирует три выходных напряжения: +18, +9 и –8 В. Эти напряжения по цепям CAM9V, CAM18V, и САМ-8V1 поступают на узлы камеры. Напряжение +9 В устанавливают подстроечным резистором VR1003.
Кроме узлов, обеспечивающих питание камеры, в состав импульсного источника питания входят элементы систем авторегулирования блока вращающихся головок (БВГ) и ведущего вала. Сигнал треугольный формы с выв. 27 микросхемы IC1001 через эмиттерный повторитель на транзисторе QR1061 проходит на выв. 36 микросхемы электропривода БВГ IC2101 типа AN3893NFHP фирмы MATSUSHITA (на рис. 1 не показана) или ТВ6508F фирмы TOSHIBA (в моделях NV-М40Е/М3000EN может устанавливаться микросхема AN3890FBS). Микросхема IC2101 совместно с цифровой частью САР БВГ, находящейся в составе центрального процессора IC6004, формирует ШИМ сигнал для управления ключом на транзисторе Q1061 (цепь CYLSW на рис. 1). Его выходной сигнал детектируется и через фильтр L1061 L1064 С1062 С1065 С1068 (цепь CYLVM) подается на выв. 7 микросборки IC2102 типа UN224, нагруженной непосредственно на обмотки двигателя БВГ (на рис. 1 не показано).
От значения этого напряжения (около 3,5 В) зависит скорость вращения БВГ в установившемся режиме.
Аналогично работает и электропривод ведущего вала. Сигнал треугольной формы с усилителя на транзисторе QR1061 через конденсатор С1108 поступает на инвентирующий вход операционного усилителя (ОУ) в микросхеме IC1102. На его неинвертирующий вход подается ШИМ сигнал от микросхемы электропривода ведущего вала IC2103 типа AN3841SR фирмы MATSUSHITA (выв. 17, цепь CAP FB, на рис. 1 не показано). Результирующий сигнал с выхода ОУ поступает на импульсный усилитель на транзисторе Q1062, фильтром L1062 С1064 С1066 выделяется постоянная составляющая его выходного сигнала и подается на выв. 24 IC2103. От значения этого напряжения (около 4,5 В) зависит скорость движения ленты.
Поиск неисправностей в системах питания и электропривода при использовании только принципиальной схемы проводить трудно, так как все цепи связи импульсного преобразователя с другими узлами видеокамер, показанные в правой части рис. 1, на плате никак не обозначены и элементы схемы не имеют маркировки. Для облегчения работ можно воспользоваться рис. 2, на котором показана правая часть (вид сверху) главной печатной платы VEP03D30 видеокамеры AG-DP200 (снимок в масштабе 2:1). Цифрами на рис. 2 обозначены: 1 — С1002 (черный сектор — минус), контролируется входное напряжение +12 В от батарейного отсека; 2 — подстроечный резистор VR1001 для установки напряжения +5 В; 3 — С1007, цепь EVF 5V (при наличии напряжения +5 В и исправности L1004 можно судить о работоспособности транзистора Q1001); 4 — подстроечный резистор VR1002 для установки напряжения +3,5 В (контрольные точки показаны в [1]); 5 — подстроечный резистор VR1003 для установки напряжения +9 В (контрольные точки показаны в [1]); 6 — С1062, при наличии напряжения +3,5 В в режиме рабочего хода можно судить о работоспособности транзистора Q1061; 7 — С1064 цепь CAP VM (при наличии напряжения +4,5 В в режиме рабочего хода можно судить об исправности транзистора Q1062); 8 — С1068, цепь CYL VN; при отсутствии напряжения +3,5 В оборван дроссель L1064 (рабочий ход, стоп-кадр).

Полноразмерные видеокамеры PANASONIC. Поиск неисправностей в системах питания…Рис.2
Измерение напряжений на перечисленных выше элементах позволяет оперативно выявить неисправности транзисторов импульсного преобразователя, наиболее часто выходящих из строя. При этом нужно только снять крышку корпуса видеокамеры. Отсоединять разъемы и демонтировать главную печатную плату не требуется.
Нередко при включении камеры тангентой OPERATE (или POWER) она выключается через несколько секунд, хотя в этот интервал времени основные напряжения +5, +3,5, +9, +18, –8 В в соответствующих цепях появляются. В этом случае обращают внимание на работу двигателя загрузки: в исправной камере после нажатия тангенты должна быть слышна работа двигателя в течение примерно 0,5 с. При отсутствии реакции двигателя загрузки после нажатия тангенты проверяют наличие питающих напряжений VCC1, VCC2 (22,2 В) на выв. 9, 10 микросхемы IC6001 (ВА6219BFP). Поскольку сама микросхема находится с обратной стороны печатной платы, измерить эти напряжения допустимо на положительном выводе конденсатора 9 на рис. 2 (VCC2) и проходном отверстии на плате 10 (рядом с положительным выводом конденсатора 9), отверстие нужно аккуратно зачистить. Дальнейшие действия проводят по методике, приведенной в [1].
Если все же камера при наличии всех вышеперечисленных напряжений не работает, необходимо извлечь главную печатную плату из корпуса.
Без подачи питающего напряжения нужно проверить на обрыв все дроссели, находящиеся на ней (это займет не много времени). Затем принудительно включают импульсный преобразователь путем замыкания коллектора и эмиттера транзистора Q1006, проверяют наличие импульсов на выв. 9, 11, 15, 27 микросхемы IC1101, выв. 3, 4, 6 трансформатора Т1001 и соответствие их параметров показанным на рис. 1.
Нередко автономная проверка преобразователя дает основание считать его исправным, в то же время при установке его в видеокамеру, через несколько секунд после нажатия тангенты, работа преобразователя блокируется высоким уровнем сигнала управления от центрального процессора по цепи POWERONL. В таких случаях нужно разбираться с работой системы управления видеокамеры. На практике такой эффект довольно часто вызывается разрывом проводников в плоском шлейфе, соединяющем главную плату с платой управления режимами, расположенной на верхнем торце видеокамер (на главной плате шлейф подсоединен к разъему FP6001).

Литература
1. Ю.Петропавловский. Полноразмерные видеокамеры Panasonic. — „Ремонт & Сервис”, 2002, № 4, с. 21-24.

Теги: PANASONIC

© АПК Сервис 2002– TeleTehnika
При копирования материалов активная ссылка на сайт обязательна!
Политика конфиденциальности
Наверх