К рассматриваемым здесь относятся модели видеокамер PANASONIC-NV-M40, М3000, М3300, М3500, М9000, М9500, М9900, MS4, MS5, AG455, AG-DP200, в которых используется одинаковый лентопротяжный механизм. Видеокамеры этой линейки моделей начали выпускаться в середине 90-х годов, у нас они по сей день находятся в эксплуатации на большинстве местных и региональных телекомпаний. Особенно распространены модели NV-М3000 и М9000, поскольку какой-либо реальной альтернативы этим камерам нет. Ни одна другая фирма не выпускала серийные профессиональные и полупрофессиональные видеокамеры в ценовой категории 1000-1500 долл. (Фирма MATSUSHITA относит к профессиональной S-VHS/VHS аппаратуре модели с индексом AG, NV — индекс бытовой VНS/S-VHS аппаратуры).
В видеокамерах NV-М3000, выпущенных до 1996 г., была предусмотрена замена верхнего цилиндра (ВЦ) БВГ типа VEH0574 c пятью головками (нижний цилиндр типа VEG09902). В более поздних моделях замена ВЦ не предусмотрена, заменяется только БВГ в сборе (тип БВГ VEG1101), это же относится и к БВГ VEG1102 с девятью головками, которые используются во всех S-VHS моделях видеокамер рассматриваемой линейки. Потребность замены видеоголовок в процессе нормальной эксплуатации видеокамер возникает не часто, даже в случае их значительного износа. Дело в том, что влияние износа наиболее заметно в режиме воспроизведения, когда появляются зашумленность и белые штрихи на изображении. Видеокамеры же используются преимущественно в режиме записи. При последующем воспроизведении на видеомагнитофонах проблем с качеством изображения, как правило, не возникает, за исключением тех случаев, когда износ головок камеры вызывает длительные „захваты” частиц пыли и магнитного слоя ленты с потерей контакта видеоголовок с лентой. Значительно чаще возникает потребность разборки БВГ в связи с появлением люфта в подшипниках скольжения, сопровождающимся механическим рокотом и искажениями изображения. В общем случае после операций разборки/сборки БВГ требуется юстировка узлов ЛПМ и регулировка в системе авторегулирования видеокамеры. Особенностью всех моделей рассматриваемой линейки является использование БВГ уменьшенных размеров и большего, чем у видеомагнитофонов VHS, числа головок. Доступной технической информации по этому варианту реализации формата VHS немного, поэтому целесообразно рассмотреть особенности функционирования такой аппаратуры более подробно.
БВГ уменьшенных размеров были разработаны специально для малогабаритных бытовых видеокамер VHS-C. Такие же БВГ используются в рассматриваемых моделях полноразмерных видеокамер PANASONIC. Как ни странно, использование малогабаритных БВГ не привело к существенному уменьшению размеров видеокамер VHS-C, в частности модель QUASAR-VML 458 (1998 г. выпуска) с БВГ диаметром 62 мм не отличается по габаритам от „компактных” собратьев (QUASAR — одна из торговых марок фирмы MATSUSHITA, используемых в Северной Америке, остальные „Т.М.”: PANASONIC, NATIONAL TECHNICS, RAMSA). БВГ видеокамеры VML458 типа VEGW0092 c тремя видеоголовками при диаметре 62 мм имеет общую высоту всего 35 мм, высота верхнего цилиндра 9,5 мм, нижнего — 11,5 мм. В этой видеокамере нет неподвижной головки общего стирания, только „летающая”, третья по счету, такое техническое решение практически не увеличило габаритов видеокамеры по сравнению с другими, аналогичными по классу VНS-С моделями последних лет выпуска.
Коэффициент уменьшения диаметра БВГ в видеокамерах VHS/VHS-С был принят равным 1,5, диаметр при этом равен 41,33 мм. Для сохранения относительной скорости головка-лента 4,867 м/с (в стандарте М, NTSC — 5,8 м/с) скорость вращения БВГ увеличена до 2250 об/мин (В NTSC до 2700 об/мин).
Для получения совместимой с VHS сигналограммы минимальное число видеоголовок должно быть равно четырем, а угол охвата БВГ лентой более 270°. Для записи высококачественного стереозвука требуется установка еще четырех вращающихся видеоголовок, а для обеспечения точного монтажа — дополнительная стирающая.
Таким образом, на верхнем цилиндре БВГ оказывается пять или девять видеоголовок и один противовес для стирающей головки. Большее число головок установить затруднительно, поэтому для двухскоростных моделей применяются БВГ с таким же числом головок, как в односкоростных, только с меньшей длиной зазора (в рассматриваемой линейке видеокамер PANASONIC предусмотрена работа только на одной скорости, SP — 23,39 мм/с).
Алгоритм функционирования видеомагнитофонов с БВГ, содержащими пять или девять головок, существенно сложнее, чем обычных видеомагнитофонов. В режиме записи необходимо осуществлять коммутацию видеоголовок, так как в контакте с лентой находятся одновременно не менее трех видеоголовок и трех звуковых (в видеомагнитофонах VHS при записи обе головки подключены к усилителю записи постоянно). На рис. 1 показано расположение видеоголовок на верхнем цилиндре БВГ VEG1102 S-VHS моделей видеокамер рассматриваемой линейки (NV-V9000, М9500, М9900, MS4, AG-455, AG-DP200). Каждый сдвоенный блок (V-R1 и A-R1, V-L1 и A-L1 и т.д.) состоит из аморфной видеоголовки (наконечник зеленого цвета) и ферритовой звуковой с азимутальными наклонами ±6° для видео и ±30° для звука, как принято в формате VHS. Угловой разнос между видео и звуковыми головками соседних блоков при такой конструкции около 90°.

В видеомагнитофонах VHS головки видео и звука разносят на 60° (PANASONIC, MITSUBISHI) и 42° (JVC, SONY, LG, SAMSUNG), разнос в 90° используется очень редко, например, в ВМ SHARP-VC-H852. Разница в угловых разносах в общем случае ухудшает совместимость по трекингу ЧМ сигналов HI-FI при воспроизведении на других видеомагнитофонах записей, сделанных видеокамерой. Для правильно настроенной аппаратуры проблем не возникает. По мере износа может появиться необходимость использования ручного трекинга, а при значительном износе каналы HI-FI звука могут совсем теряться. Поэтому весьма важно проводить периодическую проверку на совместимость как видеокамер, так и видеомагнитофонов, на которых производится монтаж отснятых материалов.Рис.1
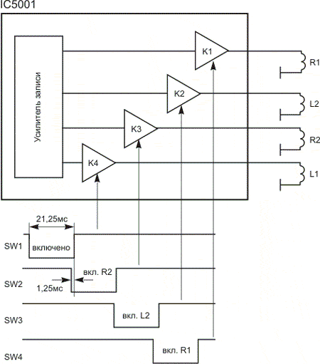
Коммутация видеоголовок при записи осуществляется по алгоритму, показанному на рис. 2. Чтобы исключить возможную потерю сигнала, в точках переключения запись производится с перекрытием по 1,25 мс, то есть очередные „подлетающие” к ленте видеоголовки активизируются на 1,25 мс раньше фактического момента переключения, как это показано на рис. 3. Предварительные усилители (PRE AMPL) S-VHS HI-FI моделей рассматриваемой линейки видеокамер выполнены на микросхеме IC5001 типа AN3350FHP (ЧИП в 64-х выводном корпусе). Импульсы перекрытия подаются на ее выв. 11, импульсы переключения видеоголовок — на выв. 12, звуковых головок — на выв. 13, все сигналы формирует центральный процессор IC6004 (MN6755324M7J в моделях NV-9500, AG-DP200, MN6755243V6L в моделях NV-М9000).
Рис.2
Рис.3
Траектория движения ленты в камерах с БВГ диаметром 41,33 мм сложнее, чем у обычных VHS видеомагнитофонов: на рис. 4 показаны элементы тракта движения ленты видеокамеры AG-DP200.
Рис.4
Механизм находится в состоянии полной загрузки ленты (но без самой ленты). Первым элементом по ходу ленты (в прямом направлении) является стойка узла обратного натяжения (на рис. 4 не видна), затем идет стирающая головка 3, вращающаяся стойка 4, первая наклонная стойка 5, наклонный балластный ролик 6, вторая наклонная стойка 7, входная направляющая стойка 8, выходная направляющая стойка 9, выходная стойка 10, балластный ролик 11, головка управления и звука 12, регулируемая стойка 13, ведущий вал 14, прижимной ролик 15, обводная стойка 16, выходная регулируемая стойка (на рис. 4 не видна). Применение большого числа направляющих элементов в тракте движения ленты объясняется тем, что видеокамеры рассматриваемой линейки могут быть использованы в составе монтажного комплекта в качестве воспроизводящего плеера при связи с контроллером монтажа (VC-Е310 и т.п.) по 5-PIN интерфейсу. Точность монтажа довольно высокая, особенно у моделей, имеющих встроенный генератор полевого временного кода VITC и позволяющих получить покадровую точность (модель MS4).
Одна из характерных неисправностей видеокамер вызывается появлением люфта в подшипниках скольжения БВГ, обычно появляющегося после нескольких лет наработки. Хотя были случаи появления люфта и у новых, но долго пролежавших на складах видеокамер. Люфт подшипников вызывает механический рокот, регистрируемый встроенным микрофоном, и приводит к увеличению временной ошибки в системе САР БВГ. В общем случае для выполнения ремонта требуется замена БВГ, однако возможен и другой путь, требующий разборки БВГ (цена БВГ VEG1101, 1102 в пределах 200-300 долл. в „сервисе” PANASONIC). Разборку БВГ производят в следующей последовательности: снимают заземляющий токосъемник (на рис. 4 он уже снят), вывинчивают винты крепления 17 крышки 18 (рис. 4), при этом верхний цилиндр 2 опускается под действием магнита ротора двигателя БВГ, затем снимают пластмассовую втулку с торца ВЦ 19 (на рис. 4 она уже снята), вывинчивают два винта крепления ВЦ (на рис. 4 не видны), во время этой операции вращать БВГ нельзя, и снимают верхний цилиндр. Роторы вращающегося трансформатора и двигателя БВГ оставляют на месте, их нежелательно трогать и особенно поворачивать, иначе может сместиться взаимное положение магнита ротора и ВЦ и соответственно все точки переключения видеоголовок. Следующий этап — чистка спиртобензиновой смесью внутренней поверхности подшипника ВЦ, вала нижнего цилиндра и внутренней стороны крышки 18 (рис. 4). Перед сборкой на вал и подшипник наносят небольшое количество (1-2 капли) хорошо очищенного масла (например, часового), можно использовать и масло для швейных машин. Использование некачественных масел обычно приводит к их загустению и тугому ходу при вращении БВГ. На внутреннюю поверхность крышки 18 наносят немного какой-либо густой смазки для металла, также хорошо очищенной, неоднократно проверен на этот счет медицинский вазелин (без каких-либо добавок). Сборку БВГ проводят в обратном порядке, перед установкой заземляющего токосъемника зачищают поверхность крышки и контакта токосъемника. Качество соединения проверяют омметром: при проворачивании БВГ сопротивление не должно превосходить 100 Ом. Перед включением видеокамеры обязательно очистить БВГ и все элементы ЛПМ, соприкасающиеся с лентой, так как при ремонте на них могла попасть смазка или грязь. Если видеокамера до ремонта работала нормально в части трекинга, HI-FI звука, изображение не подергивалось по вертикали, то после ремонта БВГ работоспособность обычно восстанавливается полностью. В противном случае требуется регулировка и юстировка узлов ЛПМ, но это тема отдельной статьи.
Ю.Петропавловский