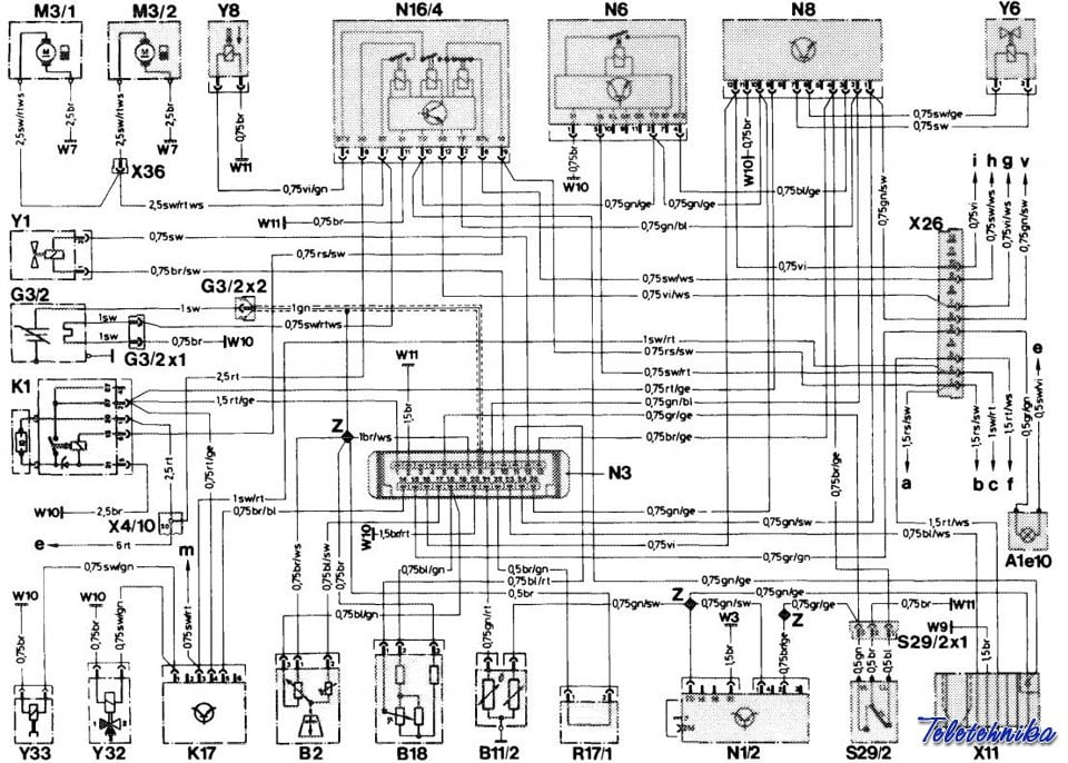
БЛОК УПРАВЛЕНИЯ ДВИГАТЕЛЕМ MERCEDES W202 C200
Mоторник SIEMENS SIM4 LEA 111 153 06 79 (5WK9 0388)



1 Секция - 1, 2, 3, 6 = катушки зажигания. 7, 8 = питание 12 в от главного реле.
3 Секция - 3 = д. распред вала. 5, 6, 7, 8 = форсунки. 12, 13 = датчик коленвала. 16-17 = Д.Т.О.Ж
4 Секция - 11 = главное реле. 12 = реле бензонасоса. 24 = от замка зажигания IGN. 8-28 = Диагностика
5 Секция 1 = питание от главного реле. 4, 5, 6 = минус питания GND.
Mercedes Actros

Mercedes Actros 350

Temic PLD Mercedes Benz - Mercedes Truck




Bosch MED 17.7.5 Mercedes Benz - AMG


Bosch MED 17.7.3 Mercedes Benz - AMG


Bosch MED 17.7.2 Mercedes Benz


Bosch MED 17.7.1 Mercedes Benz - AMG


Bosch ME 9.7 4MB Mercedes Benz - AMG



Bosch ME 9.7 2MB Mercedes Benz - AMG



Bosch ME 2.8.1 Mercedes Benz



Bosch ME 2.8 Mercedes Benz - AMG - McLaren


Bosch ME 2.7.2 Mercedes Benz - AMG



Bosch ME 2.7.1 Mercedes Benz - AMG


Bosch ME 2.7 Mercedes Benz - AMG


Bosch ME 2.0 Mercedes Benz - AMG



Bosch EDC 17CP57 Mercedes Benz


Bosch EDC 17CP46 Mercedes Benz

Bosch EDC 17C66 Mercedes Benz

Bosch EDC 17C43 Mercedes Benz

Bosch EDC 16CP36 Mercedes Benz


Bosch EDC 16CP31 Mercedes Benz


Bosch EDC 15C5 Mercedes Benz


Bosch EDC 15C6 Mercedes Benz


Bosch EDC 15C5 AMG

Bosch EDC 15C6 AMG

Bosch EDC 16C2 Mercedes Benz - AMG

Bosch EDC 16C31 Mercedes Benz - AMG

Bosch EDC16C2-3,C2-7

Bosch EDC16CP31,C32

Bosch EDC 16C32 Mercedes Benz - MCC-Smart - AMG

Bosch EDC16C32

Bosch EDC 17CP10 Mercedes Benz

Bosch EDC 17CP01 Mercedes Benz - AMG

MERCEDES S320 (014 545 61 32) Двигатель 104.990

MERCEDES с блоком PMS (018 545 02 32)

MERCEDES V-Class 2.8 L Двигатель 104.900

MERCEDES D300 (A 025 545 55 32) 3.0 L

MERCEDES 2.2 L 111 Двигатель

MERCEDES 2.8 L 104 Двигатель

Mercedes-Benz Vito Двигатель 611.980

Mercedes-Benz Блок управления VDO 008 545 08 32 KE0026

Mercedes-Benz E420 Двигатель 119.985
Mercedes-Benz W140 Двигатель 119.980 (96-98 год 5.0 литров)

Mercedes-Benz E CLASS W212/S212 двигатели E550 4.6L V8 BITURBO/ E500 5.5L V8
MED17.1.1

Bosch ME2.8

Bosch ME7.2.8

SIEMENS SIM4
A 111 153 17 79

SIEMENS SIM4L KE
A 271 153 16 79

TEMIC CRV 2.0

TEMIC CRV 1.0

Mercedes-Benz SE-class V8 5.0 83г.
Схема ЭБУ 006 545 81 32 мотор М117 V8


