Не секрет, что динамики стоят денег. Хорошие динамики стоят хороших денег.
Обычно стоимость динамиков превышает стоимость комплектующих усилителя.
А потому, просто необходимо вовремя, еще на этапе проектирования, позаботиться о защите АС.
Предлагаемая конструкция обеспечивает задержку подключения АС при старте усилителя, исключаяя тем самым озвучивание переходных процессов.
Кроме этого, при появлении на выходе УМЗЧ постоянного напряжения любой полярности наша схема мгновенно отключает АС. Режимы работы блока индицируются двумя светодиодами.
Принципиальная схема блока защиты

Схема проста, легка в повторении и не требует сложной настройки, не смотря на это очень надёжна. При применении хорошего рэле не привносит искажений.
При приведенных на схеме номиналах компонентов задержка на старте составляет 3 секунды. Обычно этого достаточно, чтобы избежать уханий и буханий.
Светодиоды D4 - D5 отображают режимы работы блока.
D4 (зелёный) - всё ОК, D5 (красный) - защита - состояние задержки при старте или авария в усилке.
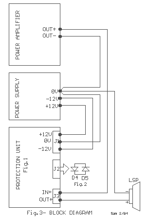
Схема соединений

Блок питается двухполярным напряжением ±12 Вольт. Можно использовать доп. стабилизатор от основного БП усилителя или добавить отдельный маломощный БП.
Предполагается, что такой блок будет собран для каждого канала усилителя.
Внимательно отнеситесь к выбору рэле RL1. Для получения отличных результатов необходимо выбирать рэле с рабочим током контактов в 2…5 раз больше, чем отдаёт ваш усилитель. Если у рэле несколько групп контактов - включите их паралельно.
Отличным выбором будет герметизированное рэле. Материал контактов - сплавы золота, серебра, иридия.
Вобщем, это тот случай, где требуется эксперимент и учет ваших возможностей.
Все железяки
| R1=22Kohm | C4-5=100uF 25V | IC1=TL071 |
| R2-3=390Kohm | Q1=BC560C | RL1=Relay 12VDc Omron G2R2 |
| R4=470Kohm | Q2-3-4=BC550C | J1=3pin connector with 2.54mm step |
| R5=1Mohm | Q5=BD139 | J2=2pin connector with 2.54mm step |
| R6-7-8-9-10-12=10Kohm | D1-2-3=1N4148 | J3=2pin connector with 3.96mm step |
| R11=820 ohm | D4=Green 5mm Led | |
| C1-2-3=47uF 63V | D5=Red 5mm Led | |