Audi SIMOS 7.1 (06A 906033 DS) 5WP40264 04


Bosch MED 9.5.10 Audi - Seat - Skoda - Volkswagen


Bosch MED 9.1.1 Audi - Seat - Skoda - Volkswagen


Bosch MED 9.1 Audi - Seat - Skoda - Volkswagen


Bosch MED 17.5.5 Audi - Seat - Skoda - Volkswagen


Bosch MED 17.5.25 Audi - Seat - Skoda - Volkswagen


Bosch MED 17.5.21 Audi - Seat - Skoda - Volkswagen


Bosch MED 17.5.20 Audi - Seat - Skoda - Volkswagen


Bosch MED 17.5.2 Audi - Seat - Skoda - Volkswagen


Bosch MED 17.5.1 Audi - Seat - Skoda - Volkswagen


Bosch MED 17.5.0 Audi - Seat - Skoda - Volkswagen


Bosch MED 17.1.6 Audi - Seat - Skoda - Volkswagen


Bosch MED 17.1.1 Audi


Bosch MED 17.1 Audi - Seat - Skoda - Volkswagen


Bosch EDC15VM


Bosch ME 7.5.10 Audi


Bosch ME 7.1.1 - 32MHz Audi




Bosch ME 7.1.1 - 40MHz Audi


Bosch ME 7.1.1


Bosch ME 7.1 Audi



Bosch EDC 17U05 Audi


Bosch EDC 17U01 Audi


Bosch EDC 17CP74 Audi


Bosch EDC 17CP44 Audi


Bosch EDC 17CP24 Audi


Bosch EDC 17C64 Audi



Bosch EDC 16U31 Audi


Bosch EDC 16CP34 Audi


Bosch EDC 15V - VM+ Audi



Bosch EDC 15P - P+ Audi



Bosch EDC 16C4 Audi


Bosch EDC 17CP14 Audi


Bosch EDC 17CP20 Audi


Bosch EDC 17C54 Audi


Bosch EDC 17C46 Audi


Блок управления зажиганием 4A0 907 397A ( 0 227 400 190 ) для двигателя NG

Контакты разъёма для проверки блока на столе. Полную распиновку блоков смотрите ниже.

Работает совместно с блоком

Полная схема управления KE III Jetronic


Audi-80 2.0 литра с двигателем ABK


Audi-100 2.8 литра с двигателем AHH



Audi A6 2.8 литра с двигателем ACK (4D0 907 551 AH)


Audi A4 (3B0 907 557)


Audi A4, A6, A8 2.8 литра с двигателем AHA


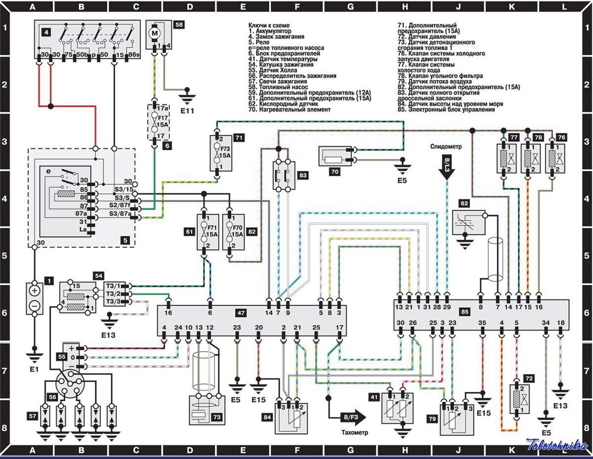
Audi A8 (MED 17.1.1)



AUDI A4 95 год 1.8 литра с двигателем ADR с моторным 8D0 907 557 C
AUDI A4, B5 1994-2000 1.6L с моторным 8D0 907 557 B



© АПК Сервис 2002– TeleTehnika
При копирования материалов активная ссылка на сайт обязательна!
Политика конфиденциальности
Наверх