
По истечению времени, как не странно, моей микроволновке, фирмы производителя "Panasonic", пришел кирдык, жужжит, что то в нутри крутится а сама ничего не нагревает. Магнетрон в моей микроволновке применён 2M261-M32 той же фирмы "Panasonic". Руки конечно растут из правильного места и я решился на ремонт своими силами. Окунулся в сетевой поиск, убил не мерянно времени но так ничего путного не нашел, за исключением одной статьи, в которой на очень понятном языке изложен принцип работы, ремонт и настройка ИБП микроволновки. Автора статьи подписан как: Райэн Мюллер c г. Йошкар-Ола.
И так, приступим.
В микроволновой печи все имеет значение и ничего не стоит упускать из виду. Если энергию микроволн нельзя потрогать, это не значит, что их нет. Они есть! А если они есть, то предназначение печи в том, что бы создать условия, при которых энергия микроволн будет направлена в нужный объект, и этот объект поглотит направленную в него энергию, нагреваясь при этом. В целом проблема заключается в том, что если энергия микроволн не будет поглощена, то:
1. Энергия, частично, а иногда вся, вернется в магнетрон. В результате длительного (секунды — минуты?) воздействия, в конце концов, разрушит его. Чаще всего это перегрев и деформация анодных ламелей или разгерметизация с пробоем электрического разряда в катод.
2. Магнетрон выключится от перегрева, и ИБП будет молотить сам на себя и ему тоже крышка. Почему? Будет ниже.
Ну, и не забываем про технику безопасности. Категорически (!) нельзя блокировать разрыватели на дверце и включать микроволновку с открытой дверцей, что бы лично посмотреть, как там микроволны работают. На этом все развлечения и эксперименты закончатся. Роговица глаз будет разрушена, если глаза не лопнут раньше от перегрева внутриглазной жидкости. Надеюсь все всем ясно?!
Не буду описывать всех приколов с его освоением и сколько их отремонтировали. Но ИБП очаровал меня полностью. Вначале я не понимал, какое сокровище у меня в руках. Но через некоторое время я задумался. А почему японцы вместо транса (дешевле некуда) поставили импульсник И только тогда когда я взял в руки разрисованную схему я все понял.
Это регулятор анодного тока при хорошо стабилизированном напряжении. При этом у него нет обратной связи даже по оптике. Не знаю хорошо это или плохо.
В целом оказалось, что блок собран как регулируемый источник тока со стабилизированным напряжением. Я не совсем понимаю, как это происходит, так как там загадочный чип-драйвер стоит. Естественно описания на этот чип я так и не нашел. Но! Работает он надежно.
Стабильность выходного напряжения держит неплохо. При плавном изменении входного напряжения питания от 110 до 220 вольт совершенно нормально, на мой взгляд, удерживает выходные параметры. Штатное напряжение накала — 3,15 V и напряжение анода — 2,6 kV. С помощью управляющего ШИМ-сигнала можно регулировать выходной ток (ток анода) в пределах от 0,1 — 0,2А до 1А.
К моему великому сожалению, сколько я не искал нормальную схему этого ИБП, так и не нашел. Думаю, мне следовало обратиться к разработчикам, так, где ж их взять?! У сервисных инженеров полной схемы просто нет. Или я не нашел, хотя перекопал кучу информации в сервисном центре.
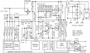
Забегая немного вперед, следует сказать несколько слов о самой схеме. Специалисты сразу увидят ряд типовых решений заложенных в схему блока. Здесь и контроль входного напряжения, и контроль мощности и прочие не менее важные вещи. Однако имеет смысл разобрать схему отдельно и по порядку. И сделаем мы это в следующей статье — «Как устроен блок? Как ремонтировать? И какая редкая сволочь это все придумала?!»
Для начинающих скажу сразу: существует простая последовательность действий, которая позволит определить работоспособность ИБП без особых разбирательств структуры схемы и особенностей ее работы.
Проверка
Для проверки аккуратно снимаем кожух микроволновки. Отвернув задние винты крепления кожуха, аккуратно и с приличным усилием сдвигаем весь кожух в направлении задней стенки. Это нелегко, так как в кожухе существует рамка защелка по всей верхней части корпуса у передней стенки.
Итак, вы ничего не сломали и кожух снят. Не включая вилку в розетку электропитания, ищем, где установлены предохранители. Их, как правило, два. Хотя бывают исключения. Один стоит на плате фильтра электропитания. Иногда на этой же плате, в зависимости от модели стоит устройство первичной коммутации (реле). Второй (иногда) сразу перед ИБП, иногда после. Имеется в виду высоковольтный предохранитель с пружинкой и в дополнительном пластиковом корпусе.
Сначала следует проверить цепи электропитания на целостность. Обратите внимание на термический размыкатель, который установлен либо на корпусе магнетрона, либо на корпусе волновода. Говорят, что иногда их бывает два последовательно! Не видел ни разу. Этот размыкатель разрывает цепь питания 220V по перегреву магнетрона или стенки волновода. Бывает, что они выходят из строя и портят всю малину для хозяек. Предполагая, что печь сломалась очень-очень, хозяйки боятся нести в ремонт из-за его дороговизны.
И вот, цепи электропитания внимательно проверены, и нужно включать печь. Следует отметить, что по условиям работы печи электропитание подается на ИБП сразу по включению печи в сеть. Никаких дополнительных устройств коммутации не предусмотрено. А сделано так потому, что загадочный чип, встроенный в ИБП, должен быть запитан сразу. Если сначала подать управляющий сигнал в ИБП, а потом включить 220V… Ничего не произойдет. Блок питания не включится!!! Очень рекомендую это запомнить.
Проверяем наличие 220V на клеммах контактов ИБП. Есть? Очень хорошо. Идем дальше. Отключаем 220V!!! Обязательно это делаем! Теперь аккуратно вынимаем ИБП из штатного места и снимаем пластиковый защитный кожух. Аккуратно закрепляем его (ИБП) в таком положении, чтобы не замкнуть ничего лишнего на корпус.
Если у Вас имеется заведомо исправный магнетрон, то следующие несколько абзацев можно пропустить. Потому, что мы поставим литровую банку с водой в камеру микроволновки. Аккуратно отсоединим зеленый провод блока питания от корпуса микроволновки и в разорванную цепь включим измерительную головку амперметра со шкалой до 1 А.
Если такого нет, то подойдет 5 или даже 10 А. Про рабочее напряжение головки и уровень защиты можно не думать. Потому, как амперметр подключен к корпусу, то высокого напряжения на нем не будет и поэтому все в порядке. Все это мы делаем для организации визуального контроля тока анода. В нормальном состоянии ток анода магнетрона не превышает 0,6А при включении на полную мощность. Если вы все сделали правильно, амперметр и магнетрон были заведомо исправны, то дальше можно перейти к пункту поиска неисправностей. Если заведомо исправного магнетрона и амперметра под руками нет, то внимательно читаем следующий абзац.
Очень аккуратно отсоединяем контакты на ИБП, от которых идут высоковольтные провода на магнетрон. Можно не бояться остаточного напряжения, так как ламели имеют силиконовую изоляцию, однако настоятельно рекомендую, перед тем как браться за них руками, аккуратно замкнуть оба этих контакта на корпус микроволновки. Береженого Бог бережет.
Внимание! Категорически запрещается отсоединять зеленый провод, соединяющий ИБП с корпусом печи. Лучше выпаять его конец из платы и далее делать все манипуляции.
Далее на плате ИБП следует сделать видимый разрыв цепи на этом участке.
Следует обратить Ваше внимание, что на выходе анодной обмотки трансформатора стоит выпрямитель с удвоением напряжения. Почему? Я буду объяснять значительно позже, но сейчас отмечу, что этого решения достаточно для работы магнетрона и вряд ли кто-то придумает вариант выпрямления напряжения питания более экономичный. Поэтому заметив, какие ножки высоковольтных диодов припаяны к цепям, идущим к обмотке трансформатора, отпаиваем их и вытаскиваем. Не стоит выпаивать обе ножки диодов во избежание путаницы как правильно стоял диод до того момента как вы его выпаяли. Данная операция обезопасит вас от ненужных пробоев удвоенного напряжения в 2600 вольт и мощностью почти в один киловатт! Не нужно рисковать более необходимого.
Сделав видимый разрыв, на печатной плате как показано на схеме выше, проверив и убедившись, что контакта нет совсем, теперь понимаем, что высокое напряжение нам не очень страшно. Соблюдая технику безопасности при работе с высоким напряжение, не задевая компоненты блока, находящиеся под высоким напряжением, подключаем подходящую нагрузку к обмотке накала. Благо там напряжение не превышает 4 V.
Лучше всего взять подходящие ламельки контактов и припаять к ним нагрузку, или использовать нечто похожее на ламельки. Можно и нужно нагрузить обмотку накала не менее 150 ватт, но лучше — 250 Вт (примерно 80 Ом). У меня лампочка накальная есть подходящая 6 V 200W от киноаппарата старого, но думаю, что могут подойти лампочки от мотоцикла, если их взять в необходимом количестве и параллельно собрать.
Включаем микроволновку. Программируем включение на 10 секунд и нажимаем кнопку «Пуск». Светится лампочка?! Ура! ИБП работает! Теперь программируем на 30 секунд. Светится лампочка?! Не гаснет через несколько секунд? Прекрасно! Быстро все выключаем и переходим к разделу: Как разобрать и переделать «под мои нужды и веру»? Если не светится, или светится, но через несколько секунд гаснет, следует выполнить ряд следующих мероприятий. Я, кстати, настоятельно рекомендую все нижеописанные операции проделать и с заведомо исправным блоком. По крайней мере, Вы будете точно знать, что, как и почем.
Итак, что-то не работает. Теперь нам понадобится осциллограф. Любой, даже самый примитивный и косо работающий, так как нам совершенно необходимо удостовериться в наличии управляющих сигналов. Они, сигналы находятся на маленьком и весьма неудобном разъеме. Рекомендую его сразу поменять на разъем, показанный на фото ниже.
Если вам лень менять разъем можете оставить все как есть, однако потом все равно придется его менять. Штатный разъем очень не удобный для наших нужд. Ну вот, поменяли. Теперь можно работать дальше. Смотрим в схему:
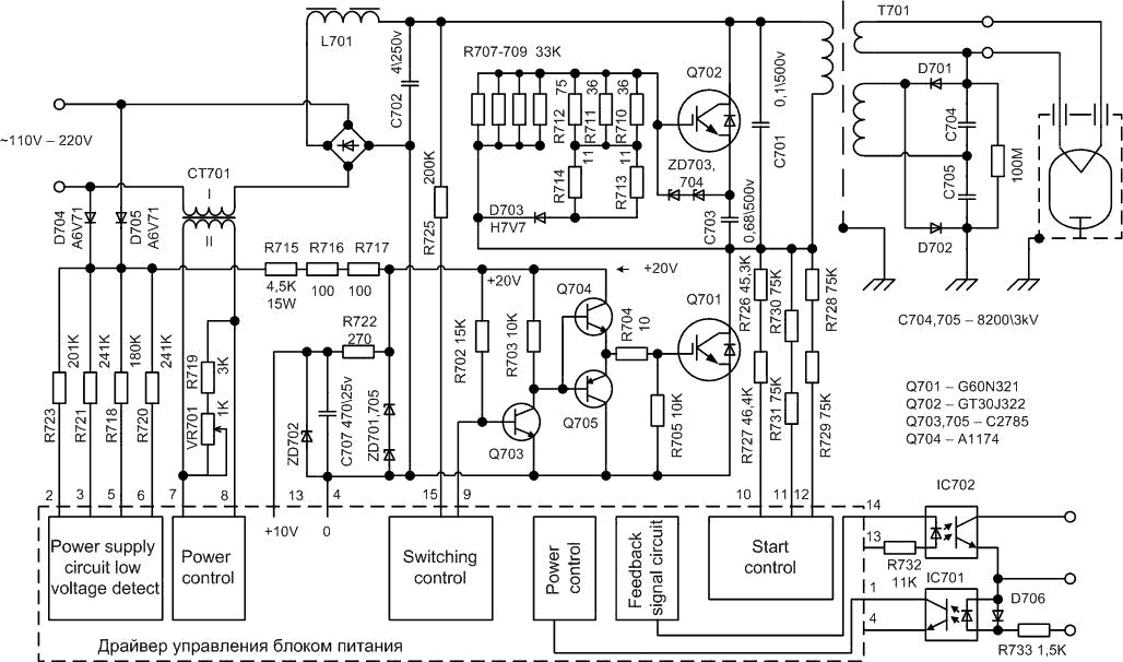
Обратите внимание, что управляющие сигналы имеют гальваническую развязку. Контакт № 2 соединен с общим проводом блока УПРАВЛЕНИЯ.
Контакт № 1 — выходной сигнал. Контакт № 3 — входной сигнал. Что все это значит? А то, что блок питания напрямую включен в сеть и это очень опасно для бортовой электроники, и не только для нее. Поэтому у блока питания развязка по управлению и развязка по высокому напряжению на вторичной стороне транса. Всем все ясно? Общих проводов с сетью нет!
Подключаем общий провод осциллографа к контакту блока № 2. Щуп осциллографа ставим на контакт блока № 3. Включаем микроволновку, программируем на 10 секунд, «Пуск». Смотрим. На экране должен появиться меандр с частотой примерно 220 Гц. Скважность меандра зависит от того, какую мощность вы установили при программировании. Если ничего не меняли, то примерно сигнал выглядит так, как показано на рисунке ниже.
Если вы установите мощность в 50%, то меандр будет иметь вид прямоугольных импульсов со скважностью два. Если вы установите минимальную мощность, то сигнал будет выглядеть с точностью до обратной формы сигнала от сигнала, изображенного на картинке выше.
Включаем, программируем на 10 секунд, «Пуск». Есть управляющий сигнал, но не долго, секунд 5. После этого сигнал пропадает и больше не появляется до следующего «Пуск».
Блок работает, но не долго
Блок запустился, и мы видели вспышку лампочки на несколько секунд. Однако команда «ОК» (выходной сигнал) на блок управления не прошла. Ищем почему. ОТКЛЮЧАЕМ ПЕЧЬ ОТ СЕТИ! Сначала проверяем цепи. Нормально? Тогда, АККУРАТНО (!!!) припаиваем провод на контакт № 4 платы драйвера. Это «условный» общий провод блока питания. Подключаем к этому проводу общий провод осциллографа. Отдаем себе отчет, что общий провод осциллографа теперь через диодный мост блока питания напрямую подключен к сети. Кто не понял почему, внимательно смотрит схему. Кто все равно не понял, немедленно прекращает работу и больше за нее не берется до тех пор, пока однозначно не поймет, почему все так испугались. Проверьте, что ваш осциллограф ничем не касается корпуса микроволновки. Теперь припаиваем провод к контакту № 13. Это выходной сигнал «ОК». Еще раз проверьте, что ваш осциллограф ничем не касается корпуса микроволновки. Включаем, программируем, «Пуск». Если блок питания нормально запускается, то на экране осциллографа вы увидите все тот же меандр. Немного форма отличается и амплитуда пониже. Нет меандра? Драйвер следует менять целиком. Есть меандр? Хорошо, переключаем осциллограф обратно, как было. И не забудьте выключить вилку из сети!
Подключаем общий провод осциллографа к контакту блока № 2. Блока! Не драйвера! Щуп осциллографа ставим на контакт блока № 1. Смотрим на схему и видим, что выходной транзистор первой (выходной) оптопары включен с открытым коллектором. И если мы его отключим от блока управления, то контролировать его работу будет невозможно. Значит, следует его чем-то запитать с нагрузкой. Рекомендую включить в цепь транзистора резистор и светодиод. Очень удобно наблюдать за работой устройства. Теперь рассмотрим вероятную проблему.
Бывает, что выходная оптопара не работает, если ток питания светодиода в выходной оптопаре слабенький и не позволяет светодиоду открыть переход транзистора в достаточной мере. При этом идея поменять оптопары местами не помогает. Для нормально работы оптопары рекомендую снизить номинал резистора R732 с 11к до 5,1к. Что уж там внутри драйвера не так не знаю. Где-то 30% всех подобранных мною ИБП имели именно эту причину отказа. На этом, кстати, начинающие ремонтеры и срезаются. Хотя, ремонтеры не парятся и просто меняют блок целиком по гарантии. А блок? А блок просто выкидывают…
Не запускается совсем
Блок питания не запустился, и электроника блока питания не дала команду «ОК» на блок управления. Выходной сигнал не появился совсем, сколько мы его не искали. Грустно, но не смертельно. Сначала следует убедиться в том, что основные элементы блока питания в рабочем состоянии. Сделать это весьма не просто. Я бы даже сказал сложно. Чаще всего из строя выходят четыре элемента в примерно следующей последовательности.
Возникает резонанс или наоборот исчезает, не знаю. От этого сгорает транзистор Q702 (GT30J322). Он слабенький и поэтому чаще всего сгорает. В общем, его можно легко заменить на его старшего брата — Q701 (G60N321). Однако отдельно следует отметить, что в этом случае совершенно необходимо использовать слюду, так как транзистор нужно изолировать от корпуса радиатора. Поле выхода из строя Q702 за ним следом уходит в небытие диодный мост DB701 (RS2006M).
Иногда возникает «сквозняк» и мы теряем Q701 (G60N321), а за ним диодный мост. Хотя иногда случается диодный мост выживает, но очень-очень редко. В общем, транзисторы это печаль, хотя я покупал их по $1 за штуку. Цена вроде не умопомрачительная.
Иногда бывает обрыв обмоток или межвитковое замыкание. Я, в общем, сразу выпаиваю трансформатор и проверяю его на целостность.
Нормальный транс не вызывает вопросов даже по внешнему виду. Если обрыв обмоток, это видно по приборам. Если замкнулись витки — по внешнему виду. Оплавился бедняга. Как его после этого починить читаем дальше.
Чиним трансформатор
Нужно было аккуратно разобрать транс и перемотать накальную и анодную обмотки сразу так, как нужно. Все равно блок питания убитый.
ВНИМАНИЕ!!! Зазор в сердечнике трансформатора не для прикола! Если Вам нечем замерить штатную (начальную) индуктивность транса по первичной обмотке, что бы после реконструкции привести к начальному значению, то не стоит и напрягаться! Спалите блок питания меньше чем за секунду после включения. У меня так и получилось. Благо запасся ИЖБТ — транзисторами загодя. Я не стану приводит номинальное значение индуктивности специально, так как сам не знаю какое оно должно быть изначально. В том смысле, что, сколько я не мерил всегда получал разное значение. Наверное, как-то можно настраивать сам блок питания под текущее значение индуктивности, но мне такая информация не попадалась, поэтому меряем индуктивность до разборки и настраиваем зазор транса на начальное значение после реконструкции.
Теперь, выпаиваем и разбираем транс. Что бы его разобрать нужно, нагреть сердечник. Нагреть сердечник можно в микроволновке! С обмотками ничего не случится, не бойтесь. Сердечник нагреется быстро и его можно сразу расклеить. Если микроволновки под руками нет, можно нагреть сердечник двумя стоваттными паяльниками. Можно варить его пару часов в кипятке. В общем, кому что удобнее.
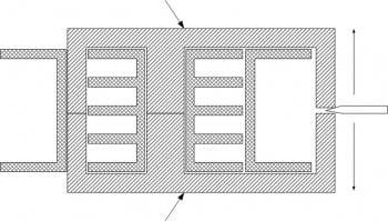
Первое, что приходит в голову после разогрева вставить в щель отвертку и надавить. Так мы сломали первый сердечник. Смотрим картинку…
Тонкими стрелками указано направление разъема, а толстыми стрелками место, где сломалось или может сломаться. В общем, делать, так как мы сделали, категорически нельзя! А как можно?
В общем, разборка сводится к смещению сердечника вокруг оси центрального сектора.
На картинке не указано где именно и как мы его захватывали. От себя добавлю, что сердечник мы зажали сверху в тисках через ткань. Для этого пришлось спилить боковые бородки на первичной катушке. А нижнюю часть поворачивали воротком. Совсем немного на 1 мм. В общем, у нас получилось почти без проблем, если не считать некоторых ожогов пальцев. Все нужно делать слаженно и очень быстро. Хотя, может и стоило нагреть сердечник чуть сильнее, но мы боялись расплавить катушку.
Если все-таки сломался…
Не беда! На фотке видно как мы сердечник из кусков склеили клеем «Хват». Я поместил эту фотку, что бы вы видели, что и такое бывает и после склейки транс работает нормально. Только, обратите внимание, что в щель между сердечником и катушкой медная фольгушка вставлена. Это для электрического соединения между кусочками сердечника. А то шить будет. Не забывайте, что сердечник
заземлен!!
Итак, разобрали. Вытаскиваем внутреннюю катушечку. Или то, что от нее осталось. Все равно ее нужно перематывать.
После того как перемотали трансформатор мы его промазываем клеем, даем отвердеть, всё. Можно нагружать обычными подходящими нагрузками, но не менее 300 Ватт. Быстро перегреваются транзисторы на полной мощности. Либо следует сразу половинную мощность давать.
Проверяем работу
Если вы все сделали правильно, поменяли транзисторы, диодный мост, реконструировали или починили трансформатор, имеете заведомо исправный драйвер (бывает, что и они дохнут) то… После включения на выходе № 1 блока питания появится сигнал «ОК» в виде меандра, что свидетельствует о здоровье блока питания в целом. Если этот сигнал появился на входе блока управления, то все будет работать так долго, как вы запрограммировали.
3. Управление блоком питания
Как уже писалось ранее, управляющий сигнал имеет прямоугольную форму импульса (меандр) с частотой примерно 220 — 240 Гц. При этом скважность сигнала изменяется в заданных приделах от 1:10 до 10:1. Для тех, кто не понял.
Так выглядит сигнал на уставке в 99% мощности:

Так выглядит сигнал на уставке в 50% мощности:

Так выглядит сигнал на уставке в 10% мощности:

Что не ясно теперь? Как этого достичь? Существует примитивный способ управления:
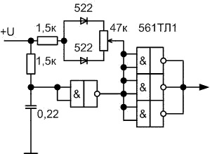
Для начинающих и не особо стремящихся поднатореть, приведем схему, которая поможет не только поэкспериментировать с блоком питания, но возможно и в дальнейшем получить возможность использовать это в схеме.

И так, работа, ремонт и проверка описана в полной мере, остаётся только сказать: У меня тихо и мирно вышел из строя магнетрон. Это же электронная лампа и она потеряла эмиссию. После замены магнетрона микроволновка заработала но как то в импульсном режиме, вжик-вжик-вжик каждую секунду. Пока отставил в сторону, потом продолжу и отпишусь.