Простой радиомикрофон
Здесь изображена схема радиомикрофона работающего на частоте 100 МГц.При желании частоту передачи можно изменить путем изменения числа витков контура L1. Антена спиральная и содержит 25 витков медного провода диаметром 1-1,2 мм,намотана на оправке 8 мм с шагом 1,2 мм.L1-содержит 5 витков провода диаметром 0,8 мм,внутрений диаметр 4 мм с шагом 1,2 мм.В частотозадающих цепях следует использовать керамические конденсаторы.Конденсаторы C1 и C7 должны быть расположены возле транзисторов.
Радиомикрофон на микросхеме AL2602
Радиомикрофон LIEN
Радиомикрофон LIEN (в переводе с французского - связь) предназначен для ведения односторонней связи в УКВ-диапазоне, а также для озвучивания дискотек и других мероприятий.
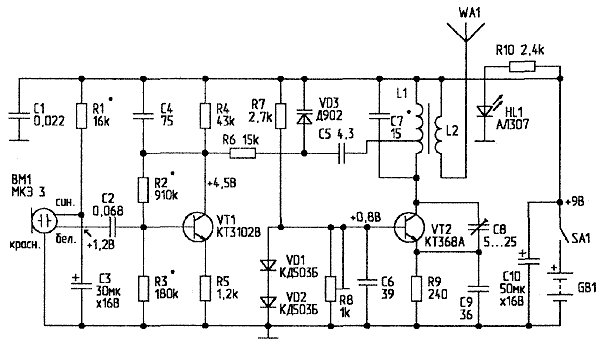
Радиомикрофон (РМ) LIEN работает на частоте 70 МГц (диапазон УКВ1) и представляет собой микромощный передатчик с частотной модуляцией. Схема РМ (рис.1) отличается высокой экономичностью и, работая от 9-вольтовой батареи типа Корунд, потребляет ток 6…15 мА. Так как предельно допустимый ток разряда Корунда - 20 мА, то в схему РМ введен светодиодный индикатор включения питания HL1. При небольшом потребляемом им токе (3 мА), он не перегружает батарею, но заметно повышает удобство эксплуатации РМ

Рис.1. Принципиальная схема радиомикрофона
Микрофонный усилитель, входящий в состав электретного микрофона МКЭ-3, питается нестабилизирован-ным напряжением через Г-образное RC-звено (R1-C3) и обеспечивает на выходе напряжение ЗЧ до 30 мВ. Этот сигнал через разделительный конденсатор С2 подается на вход усилителя на транзисторе VT1. Для улучшения температурной стабильности каскада напряжение смещения на базу VT1 подается с коллектора через R2, а в эмиттерную цепь введен R5. Конденсатор С5 является блокировочным и срезает ВЧ-составляющие, проникающие в цепь УЗЧ от генератора на VT2.
Каскад на транзисторе VT2 представляет собой емкостную трехточку. Резистивный делитель R7-R8 определяет напряжение смещения (Uсм) на базе VT2, который работает в режиме отсечки (класс С). Поэтому Uсм на базе VT2 может выбираться в пределах +0,8…+1,2 В. Параллельно подстроечному резистору R8 включены два кремниевых диода, которые стабилизируют Uсм и минимизируют уход частоты генератора при разряде батареи.
Транзистор VT2 охвачен положительной обратной связью с помощью С8. В коллектор VT2 включен параллельный колебательный контур L1-C7. При использовании в качестве С7 под-строечного конденсатора, его шлиц для уменьшения паразитной емкости подключается к холодному концу, то есть к +9 В. Точное значение индуктивности L1 устанавливается сердечником из латуни или феррита (введение в L1 латунного сердечника дает меньшую прибавку индуктивности катушки по сравнению с ферритовым).
Частотный модулятор собран на элементах R6, VD3, С5. При подаче с выхода УЗЧ через резистор R6 напряжения ЗЧ, варикап VD3 изменяет свою емкость. С анода VD3 через С5 модулирующее напряжение подается на отвод (4-й сверху виток) катушки L1. Это сделано для уменьшения глубины модуляции. В упрощенном (безотводном) варианте L1 правый (по схеме) вывод С5 можно подключить к нижнему выводу L1. Уменьшить глубину модуляции можно также уменьшением емкости С5 или применением в качестве VD3 варикапа с меньшим коэффициентом перекрытия по емкости. На практике при появлении перемодуляции (девиации более 150…250 кГц), следует в первую очередь уменьшить емкость С5.
Сигнал РЧ, промодулированный напряжением ЗЧ, через катушку связи L2 подается на антенну WA1, выполненную из одножильного медного провода ПЭЛ 0,96. WA1 - типа Short whip (короткий штырь) имеет длину 184…206 мм, которая подбирается экспериментально при настройке. Важным фактором для обеспечения стабильной работы РМ является механическая прочность (неподвижность) составных частей колебательного контура и особенно антенны.
Перед включением радиомикрофона необходимо тщательно проверить монтаж. Затем рекомендуется проверить сопротивление между контактами питания. Сопротивление измеряемой цепи не должно быть нулевым и должно меняться при изменении полярности подключения тестера.
Далее в цепь питания РМ включается миллиамперметр постоянного тока с возможно меньшей длиной соединительных проводников. Потребляемый радиомикрофоном ток не должен превышать 20…25 мА. В противном случае следует еще раз проверить монтаж и устранить возможные замыкания. При Iп = 3…18 мА можно начать настройку РМ по постоянному току:
*установить напряжение на микрофоне +1,2…+3 В подбором R1;
*установить напряжение 0,5Uп на коллекторе VT1;
*установить U=+0,8…1,2 В на базе VT2.
Теперь можно приступать к настройке генератора:
*поставить УКВ-приемник, настроенный на нужный диапазон (70 МГц), на расстоянии не менее 2 м от радиомикрофона;
*включить питание РМ и добиться появления генерации, вращая шлиц подстроечного конденсатора С8 диэлектрической отверткой. Возникновение генерации можно контролировать на слух по характерному захвату частоты (исчезновению шипения приемника). Во избежание настройки приемника на гармонику, не следует располагать приемник ближе к РМ;
*настроить колебательный контур в цепи коллектора VT2 латунным или ферритовым сердечником на частоту резонанса (70 МГц) по максимальной ширине захвата радиовещательного диапазона между двумя станциями (настройка возможна на другую частоту с края диапазона или на любом свободном участке радиовещательного диапазона, равноудаленном от двух соседних станций).
В случае неудовлетворительных результатов, следует изменить емкость С7 и повторить настройку. Для уменьшения времени настройки рекомендуется заменить конденсатор С7 подстроечным емкостью 6…30 пФ. При удовлетворительных результатах настройки можно попробовать дополнительно увеличить амплитуду резонанса, изменив на 5…10% количество витков катушки L1.
Амплитуда колебаний будет максимальной при балансе элементов колебательного контура, то есть когда реактивные сопротивления L1 и С1 равны. Грубая настройка контура L1-C7 осуществляется подбором количества витков L1 и (или) изменением емкости С7, а плавная настройка - подстроечным сердечником. Наличие резонанса можно также контролировать по минимуму Iп. Для контроля Iп, во избежание заметного ухода частоты, следует использовать миллиамперметр с минимальной длиной соединительных проводников.
Настройку лучше повторить несколько раз с последовательным изменением параметров С8, L1, С7, ориентируясь на минимум потребляемого тока при вхождении колебательного контура в резонанс и максимальную ширину полосы УКВ-приемника. Поэтому удобнее использовать приемник со стрелочным индикатором настройки. А по мере увеличения излучаемой радиомикрофоном мощности, расстояние между приемником и РМ следует увеличить.
Уточнить глубину девиации (величину изменения частоты ЧМ-сигнала) можно подбором емкости конденсатора связи С5 (С5=1,2…10 пФ). С увеличением С5 глубина девиации увеличивается. Емкость данного конденсатора должна быть такой, чтобы даже в пиках громкости при работе приемника от РМ не было потрескиваний, искажений и тем более возбуждения и срывов радиоприема. Данный тип возбуждения не следует путать с характерным свистом, появляющимся при близком расположении РМ от настроенного на его волну приемника. В этом случае для снятия возбуждения (акустической обратной связи) достаточно уменьшить громкость приемника.
Далее радиомикрофон Lien подключается к батарейному блоку питания (например, две батареи типа 3336Л), подстраивается его частота и проверяется дальнобойность. После настройки сердечник катушки индуктивности L1 заливается парафином, а роторы подстроечных конденсаторов стопорятся нитрокраской.
Настроенный радиомикрофон Lien испытывался в работе с радиовещательным приемником Ишим-003 и имел радиус действия до 500 м (при прямой видимости).
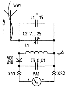
Ускорить процесс подстройки грубо настроенного РМ можно при помощи волномера (рис.2). Волномер состоит из параллельного колебательного контура C1-C2-L1, детектора на диоде VD1 и ФНЧ СЗ. Параметры контура волномера аналогичны параметрам параллельного контура радиомикрофона. К гнездам XS1, XS2 волномера подключается тестер (мультиметр) в режиме вольтметра постоянного тока (диапазон измерения - 12 В)

Измерение напряженности переменного магнитного поля в антенне РМ производят следующим образом. Включают РМ. Антенну WA1 радиомикрофона (равномерно, по всей ее длине) обвивают двумя-тремя витками гибкого многожильного провода в изоляции и стягивают этот провод с антенны РМ по направлению стрелки (рис.2), одновременно измеряя показания вольметра. Максимума показаний волномера добиваются подстройкой контура РМ и длины его антенны. Начинать подобную процедуру можно при использовании в качестве антенны четвертьволнового штыря. Длину волны L для заданной частоты резонанса можно рассчитать по формуле:
L = C/f ,
где L — длина волны, м; С — скорость света (300000 км/с); f — частота в мегагерцах.
Длина волны L для частоты 70 МГц равна 4,2857 м, а четвертьволновой штырь (L/4) имеет длину в 4 раза меньше - около 107 см.
В схеме РМ можно применить резисторы типа ОМЛТ, ВС и подобные малогабаритные с мощностью рассеивания 0,125 Вт. Подстроечный резистор R8 - типа СПЗ-22. Конденсаторы СЗ, С10 - К50-6, К50-16, К50-35 или подобные оксидные; С1, С2, С4…С7, С9 - типа КМ4, КМ5, К10-7 или любые другие керамические (безындукционные). Подстроечный конденсатор С8 - типа КТ4-23. Варикап VD3 Д902 допустимо заменить практически любым кремниевым или германиевым диодом, имеющим емкость Сд более 1…3 пФ. Найти замену VD3 можно, воспользовавшись таблицей.
| Nп.п. | Тип диода | Сд (при Uобр.) | Примечание
|
| 1 | Д220А, Д220Б | 15 пФ(5В) | Чрезмерная модуляция
|
| 2 | КД513А, КД521А-Г | 4 пФ (0 В) | Нормальная модуляция
|
| 3 | Д18 | 0,5 пФ (3 В) | Слабая модуляция
|
Транзистор VT1 можно заменить транзисторами КТ315Б, Г, a VT2 - КТ368Б. Диоды VD1, VD2 - любые кремниевые с прямым падением напряжения не менее 0,7 В. Номинал резистора R6 может быть любым в пределах от 10 до 100 кОм.
Катушку индуктивности L1 наматывают на каркасе диаметром 6,3 мм проводом ПЭВ ø0,5…0,55 мм с шагом намотки 1,5 мм. L1 содержит 5 витков и имеет отвод от 4-го (сверху по схеме) витка. Катушка из посеребренного медного провода имеет большую добротность и легче входит в режим генерации. Посеребрить провод можно в отработанном фотофиксаже (гипосульфите натрия). Но лучшие результаты дает использование готовых катушек от УКВ-приемников с частотой резонанса порядка 70 МГц, например, из блока УКВ-2-01Е от радиолы Илга-301.
Конструктивно РМ изготавливается на плате из фольгированного с двух сторон стеклотекстолита толщиной 1,5…2,5 мм. Одна сторона платы является экраном, а на другой, разрезанной на клетки размером 8x4 мм, ведется монтаж. Размер платы - 110x27 мм.
Микрофон для тамады
Для обслуживания коллективных мероприятий в закрытых помещениях ооычные самодельные радиомикрофоны оказываются малопригодными.
Во-первых, при конструировании таких устройств авторы в основном уделяют внимание достижению высокой чувствительности к слабым звуковым сигналам и устранению нелинейных искажений громких сигналов введением АРУ в модуляторе [1]. Но коллективные мероприятия всегда сопровождаются шумовым фоном, достигающим временами значительного уровня. Воздействуя на звукоусилительную установку через постоянно включенный чувствительный микрофон, этот фон в паузах выступлений еще больше умножает общий гул в помещении. Специализированные микросхемы с компрессором и шумоподавителем, использованные в модуляторах, позволяют найти компромисс между чувствительностью микрофона к слабым звукам и общим шумовым фоном, однако они доступны не всем радиолюбителям, да и устройства при этом требуют сложного налаживания [2].
Во-вторых, всем простым радиомикрофонам свойственен еще один недостаток — неуверенный прием их сигналов. Происходит это или из-за "ухода" (нестабильности) рабочей частоты, или из-за недостаточной мощности излучения. О разной чувствительности приемных устройств речь не идет: выше чувствительность приемника — более уверенный прием. Высокочастотные сигналы в таких радиомикрофонах [1] поступают в антенну через П-контур с выхода задающего генератора. Такой генератор, собранный на одном транзисторе, работает в предельном режиме по постоянному току и ведет себя неустойчиво. Кроме того, П-контур, включенный между антенной и коллектором транзистора генератора, не устраняет влияния на частоту генера-
ции предметов, расположенных возле антенны. Значительно ослабить постороннее влияние на частоту генерации можно только буферным усилителем, слабо связанным с задающим генератором [2]. Антенна и предметы, расположенные возле нее, влияют при этом только на параметры буферного (выходного) усилителя мощности.
В-третьих, в радиовещательном диапазоне УКВ-2 принято стандартное значение девиации частоты 75 кГц. Конечно, такая большая девиация характерна только для музыкальных программ, при передаче речевых сообщений она, обычно, меньше. Но слишком малое ее значение в самодельных радиомикрофонах приводит к тихому бубнящему и плохо узнаваемому звучанию. Увеличить девиацию при передаче речевых сигналов можно полным включением варикапа в колебательный контур задающего генератора, а чтобы уменьшить искажения, вызванные зависимостью емкости варикапа от приложенного к нему высокочастотного напряжения, — применить варикапную матрицу или в крайнем случае два от-
дельных варикапа, включив их по высокой частоте встреч но-последовательно. Как известно, для снижения уровня шума при использовании частотной модуляции предусматривают предыскажения модулирующего сигнала (подъем его высокочастотных составляющих) при передаче и их компенсацию (завал этих составляющих) при приеме. Цепи компенсации предыскажений обязательно имеются во всех промышленных ЧМ приемниках. По этой причине сигналы самодельных радиомикрофонов, где предыскажения не введены, принимаются с ощутимым завалом верхних частот. При конструировании радиомикрофона это необходимо учитывать, подавая звуковой сигнал на варикапную матрицу через частотно-зависимую цепь.
Перечисленные факторы учтены в радиомикрофоне, схема которого приведена на рисунке. Он состоит из микрофонного усилителя (DA2), задающего генератора (VT5) со стабилизатором напряжения смещения (VT2, HL1) и модулируемого по частоте варикапной матрицей VD2, усилителя мощности (VT6), стабилизатора напряжения питания (DA1) и узла голосового управления передатчиком (VT1, VT3, VT4).
Автор уже неоднократно экспериментировал с микросхемой К157ХА2 [3, 4] и выбрал ее для микрофонного усилителя благодаря большому коэффициенту усиления, эффективной системе АРУ, малому числу навесных элементов [5].
Учитывая высокую чувствительность микросхемы, сигнал на ее вход (вывод 1) подан с микрофона ВМ1 через резистор R2. Для улучшения характеристик в предварительном усилителе через резисторы микросхемы задействована ООС по переменному току (вывод 2 не использован). Конденсатор С2 ослабляет высокочастотные составляющие звукового сигнала, проявляющиеся как стуки и шорохи.
Напряжение питания на микрофон ВМ1 поступает с выхода системы АРУ (вывод 13) через резистор R1. Во время налаживания в отсутствие голосового сигнала подборкой этого резистора ус-
танавливают напряжение между выводами микрофона в интервале 1…2.5 В. При срабатывании системы АРУ уменьшается напряжение питания как предварительного усилителя микросхемы, так и микрофона, что способствует большей эффективности регулирования. Усиленный сигнал через конденсатор С4 поступает на вход основного усилителя (вывод 5).
Временные характеристики системы АРУ зависят от емкости конденсатора С8 и встроенных в микросхему резисторов. При малых значениях емкости АРУ срабатывает слишком быстро, появляются "квакающие" звуки. При очень большой емкости (100 мкФ и более) АРУ не успевает срабатывать на пиках звукового сигнала, что приводит к его искажениям. Напряжение с выхода имеющегося в микросхеме амплитудного детектора (вывод 9) используется для работы системы голосового управления.
При произнесении слов перед микрофоном ВМ1 на выводе 9 DA2 образуются всплески напряжения до 1,2 В, которые через диод VD1 заряжают конденсатор С7. Когда напряжение на этом конденсаторе достигает примерно 0,6 В, транзистор VT1 открывается, заряжая конденсатор С9. В результате открываются транзисторы VT3 и VT4 и на усилитель мощности радиомикрофона, собранный на транзисторе VT6, поступает напряжение питания. Начинается передача.
Если возникает голосовая пауза, то через определяемые постоянной времени цепи R5C9 примерно 20…30 с транзистор VT4 закрывается и отключает усилитель мощности. При равномерном постоянном шуме, даже очень громком, всплесков напряжения на выводе 9 микросхемы DA2 нет, транзистор VT4 остается закрытым, а радиомикрофон — в дежурном режиме. Ток потребления при этом — 4…4,5 мА, при передаче он возрастает до 25…30 мА. Диод VD1 препятствует разрядке конденсатора С7 через выход микросхемы DA2.
Таким образом, находясь в постоянной готовности к работе, радиомикрофон не транслирует общий шум, а реагирует только на голос средней громкости с расстояния 10…15 см. К небольшой задержке включения несложно приноровиться, а задержка отключения на 20…30 с позволяет комфортно работать без провалов в трансляции. Выключателем SA1 выбирают вариант работы с микрофоном: когда его контакты разомкнуты, действует система голосового управления, когда замкнуты, передатчик включен постоянно.
Напряжение питания 3 В поступает на микросхему DA2 от интегрального стабилизатора DA1. Хотя рекомендуемое напряжение питания микросхемы К157ХА2 3,6…6 В [5], эксперименты показали, что она вполне удовлетворительно работает и при таком напряжении. Работоспособность всего радиомикрофона сохраняется при снижении напряжения первичного источника питания до 4,5 В.
Конденсаторы СЮ и С12 — разделительные. Конденсатор С11 вместе с введенной частью резистора R4 — частотно-зависимая цепь предыскажения модулирующего сигнала. Фильтр L1C13 не допускает проникновения несущей частоты в микрофонный усилитель.
Задающий генератор радиомикрофона собран на высокочастотном (граничная частота — не менее 900 МГц) транзисторе VT5 по схеме индуктивной трех-точки. Такой генератор немного сложнее в исполнении, чем собранный по схеме емкостной трехточки (требуется отвод от контурной катушки), но обладает лучшей стабильностью частоты и содержит меньше конденсаторов. Емкость конденсатора связи С15 выбирают минимальной, при которой генератор уверенно возбуждается. В этих условиях влияние транзистора VT5 на контур L2VD2 незначительно, потери сведены к минимуму и сохраняется высокая добротность контура. Стабильность рабочей точки транзистора VT5 достигнута под-
ключением резистора R8 к стабилизатору напряжения смещения, собранному на светодиоде HL1, ток через который задан полевым транзистором VT2.
Светодиод одновременно служит индикатором включения радиомикрофона. Напряжение этого же стабилизатора через резистор R6 поступает на вари-капную матрицу VD2, задавая ее рабочую точку.
Требования к точности поддержания режима транзистора VT6 в усилителе мощности не столь высоки, поэтому особых мер по его стабилизации не принято. Благодаря малой емкости разделительного конденсатора С17 связь с задающим генератором слабая и изменение нагрузки усилителя практически не влияет на генерируемую частоту. Конденсатор С20 устраняет создаваемую резистором R11 отрицательную обратную связь по высокой частоте, что увеличивает коэффициент усиления транзистора VT6. Усиленный сигнал через согласующий высокочастотный трансформатор Т1, фильтр C21L3C22C24 и разделительный конденсатор С23 поступает в антенну WA1.
Интегральный стабилизатор ZR78L03 (DA1) можно заменить на КР1170ЕНЗ. При подборе замены диоду Д311 (VD1) необходимо выполнить одно условие — минимальное прямое падение напряжения. Подойдут диод Д310 и маломощный диод Шотки, например, 1N5817 или подобный. Транзисторы VT1, VT3 выбирают с наибольшим коэффициентом передачи тока базы. Транзистор КПЗОЗЕ (VT2) заменим на любой из серии КПЗОЗ. Критерий при замене транзистора КП501А (VT4) — пороговое напряжение не более 2 В. Светодиод — любой маломощный. Матрица КВС111А заменима на КВС111Б. Керамические конденсаторы С15, С17, С21, С24 должны иметь минимальный ТКЕ. Подстро-ечный конденсатор С22 — КТ4-23 или КПКМ, оксидные — импортные аналоги К50-35. Блокировочный конденсатор С16 устанавливают возле вывода коллектора транзистора VT5, а С19 — вывода трансформатора Т1, идущего к линии питания. Оба конденсатора керамические KM, K10-17. Постоянные резисторы — С2-23, МЛТ, подстроечные — СПЗ-38а, СПЗ-19а.
Дроссель L1 и трансформатор Т1 намотаны на кольцевых магнитопрово-дах К7хЗ,5х2 из феррита 50ВН. Допустима замена на магнитопровод типоразмера К7х4х2 из феррита ЗОВН. Дроссель L1 содержит 40 витков провода ПЭЛШО 0,15. Трансформатор Т1 наматывают двумя свитыми проводами ПЭЛШО 0,15. Число витков — 25. Средний вывод получают соединением конца одного провода обмотки с началом другого. Катушка L2 содержит 4 витка (с отводом от 1,25-го витка от соединенного с общим проводом конца), a L3 — 6 витков посеребренного провода диаметром 0,5 мм. Обе они намотаны на каркасах диаметром 6 мм от селектора ТВ каналов. Длина каркасов — 16 мм, шаг намотки — 1 мм. Катушки располагают взаимно перпендикулярно. Внутрь каркасов ввинчивают подстроечники СС 2,8x12, укороченные до 4 мм. Можно использовать каркасы и подстроеч-
ники других размеров. Формулы для расчета числа витков можно найти в справочной литературе.
Налаживание радиомикрофона начинают с проверки напряжения на конденсаторах С1 и С14. При изменении напряжения питания от 4,5 до 9 В на конденсаторе С1 оно должно оставаться равным приблизительно 3 В, а на конденсаторе С14 — 2 В. Отключив микрофон ВМ1, подстроечным резистором R3 устанавливают на выводе 9 микросхемы DA2 напряжение, близкое к 0,25 В. Замкнув выводы катушки L2, при замкнутом выключателе SA1 измеряют коллекторный ток транзисторов VT5 и VT6. Он должен находиться в пределах соответственно 4,5…5 и 15… 18 мА. При необходимости ток устанавливают подборкой резисторов R8 и R9. Убрав перемычку с катушки, к контакту антенны подключают частотомер и, вращая под-строечник катушки L2, настраивают контур задающего генератора ВЧ, добиваясь показаний частотомера 87,9 МГц, после чего частотомер отключают.
Дальнейшее налаживание производят с подключенной антенной и имеющимся УКВ приемником. В пределах помещения достаточно в качестве антенны использовать отрезок монтажного провода длиной около 80 см, свернутый спиралью в корпусе радиомикрофона. Настроить контур задающего генератора можно и без частотомера с помощью УКВ приемника, контролируя прием на слух и отсчитывая частоту по его шкале (лучше цифровой).
После настройки контура задающего генератора, постепенно удаляя радиомикрофон от приемника и вращая под-строечник катушки L3 и ротор конденсатора С22, добиваются приема сигнала на максимальной дальности. Эту операцию лучше всего производить с помощником, а во избежание акустической связи с радиомикрофоном прием во время настройки лучше вести на головной телефон, отключив громкоговоритель приемника.
Девиацию частоты также регулируют с помощником. Регулятор громкости в приемнике устанавливают в среднее положение. Удалив радиомикрофон от приемника на 10…15 м (чем дальше, тем лучше), говорите или напевайте в него вполголоса. По указаниям помощника следует найти такое положение движка подстроечного резистора R4, при котором голос в приемнике звучит с наибольшей громкостью, но без заметных искажений.
Если в принимаемом сигнале ощущается завал или излишний подъем верхних частот, подбирают конденсатор С11. Иногда, если микрофон ВМ1 имеет повышенную отдачу на высоких звуковых частотах, этот конденсатор можно вовсе не устанавливать.
Следующий этап — проверка действия АРУ. Произносимые перед радиомикрофоном как тихие, так и громкие звуки должны быть слышны в приемнике без заметных на слух искажений. Если громкие звуки искажены, следует изменить емкость конденсатора С8 или последовательно с конденсатором С4 установить резистор, сопротивление которого подбирают экспериментально.
Система голосового управления налаживания не требует. Следует лишь отметить, что задержка включения пропорциональна емкости конденсатора С7. Устанавливать здесь конденсатор емкостью менее 10 мкФ нецелесообразно, поскольку радиомикрофон начинает вести себя непредсказуемо. Задержку выключения корректируют подборкой конденсатора С9. Систему голосового управления можно, разумеется, исключить и выключатель SA1 заменить перемычкой. Необходимость в установке транзисторов VT1, VT3, VT4, диода VD1, конденсаторов С7, С9 и резисторов R5, R7 отпадает, но конденсатор С5 в этом случае остается обязательно. Устройство превращается в обычный радиомикрофон, способный транслировать слабые звуковые сигналы.
Для увеличения дальности приема емкость конденсатора С23 следует увеличить до 33 пФ, а при передаче сигналов на расстояние 100 м и более можно опробовать вариант, предложенный в [1]. Однако устойчивый прием гарантированно может быть обеспечен лишь приемниками диапазона УКВ-2 высокого качества. В отличие от дешевых или простых самодельных, в сочетании с хорошей верностью звуковоспроизведения и высокой чувствительностью, они обеспечивают еще и подавление шума в паузах работы радиомикрофона. Отпадает необходимость держать его передатчик постоянно включенным, бесполезно расходующим энергию. С такими приемниками и будут реализованы в полной мере преимущества системы голосового управления этого радиомикрофона.
ЛИТЕРАТУРА
1. Наумов А. Радиомикрофон. — Радио, 2004, №8, с. 19,20.
2. Кузнецов Э. Микрофон без проводов. — Радио, 2001, №3, с. 15 17.
3. Марков В. Музыкальные синтезаторы. — Радио, 2004, № 12, с. 52, 53.
4. Марков В. Сигнализатор на микросхеме К157ХА2. — Радио, 2004, № 8, с. 60.
5. Иващенко Ю., Керекеснер И., Кондратьев Н. Интегральные микросхемы серии 157. — Радио, 1976, № 3, с. 57, 58